Запчасти Case IH 3210 (10-006) - ENGINE HARNESS (06) - ELECTRICAL

Схема запчастей Case IH 3210 - (10-006) - ENGINE HARNESS (06) - ELECTRICAL
6
8
10
2
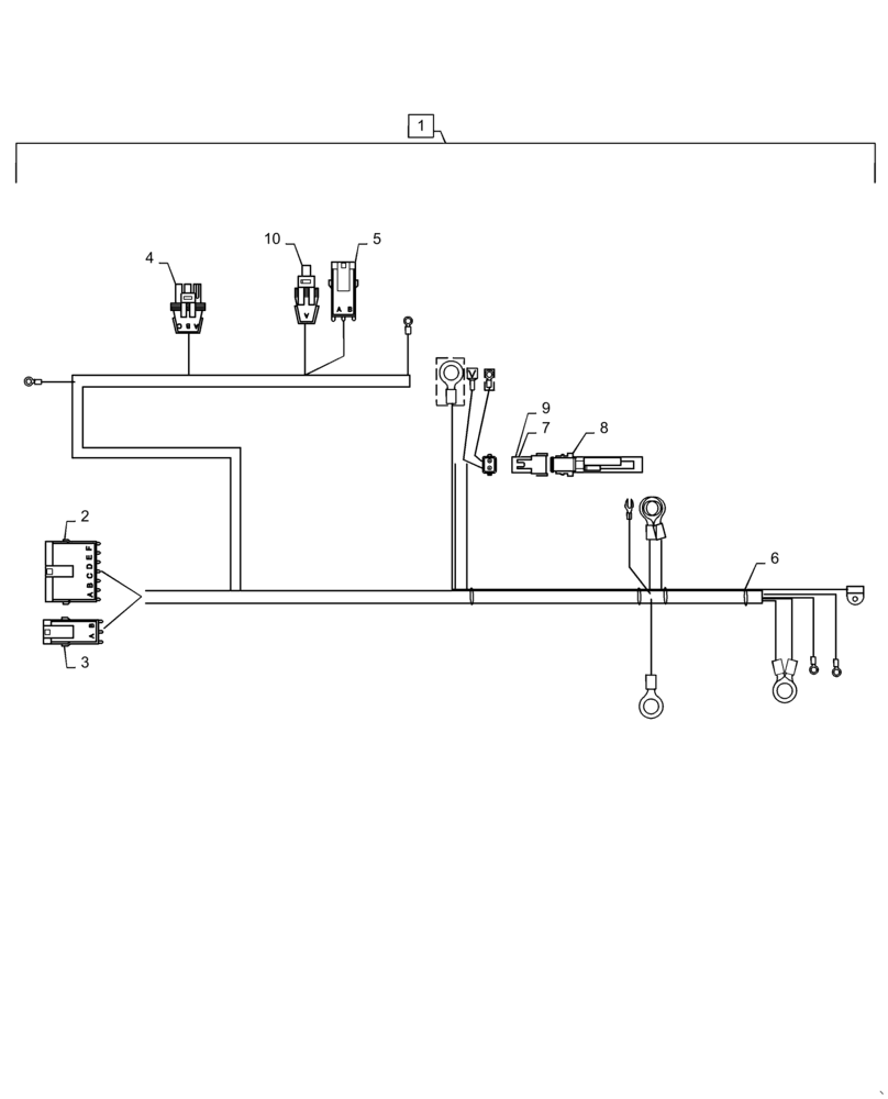
1
5
4
9
7
3
FIT
1:1
100%

Артикул

Название

Примечание

Количество

1

BN322891

WIRE HARNESS

Complete, Incl 2 - 10

1шт.

2

245489C1

ELEC CONNECTOR,Male, 6 Pin

CO2

1шт.

3

245483C1

ELEC CONNECTOR,Male, 2 Pin

C01

1шт.

4

245484C1

ELEC CONNECTOR,3 Pin

Fuel Injector, C04

1шт.

5

245483C1

ELEC CONNECTOR,Male, 2 Pin

A/C Safety, C07

1шт.

6

BN309265

CABLE

Tie, 8-1/2"

5шт.

7

BN322875

MOUNTING PLATE

C20

1шт.

8

BN322878

REPAIR KIT

Resistor / Doide

1шт.

9

225326C1

ELEC CONNECTOR,Male, 4 Pin

C20

1шт.

10

245480C1

ELEC CONNECTOR,1 Pin

A/C, C05

1шт.

Выбрано товаров: 10