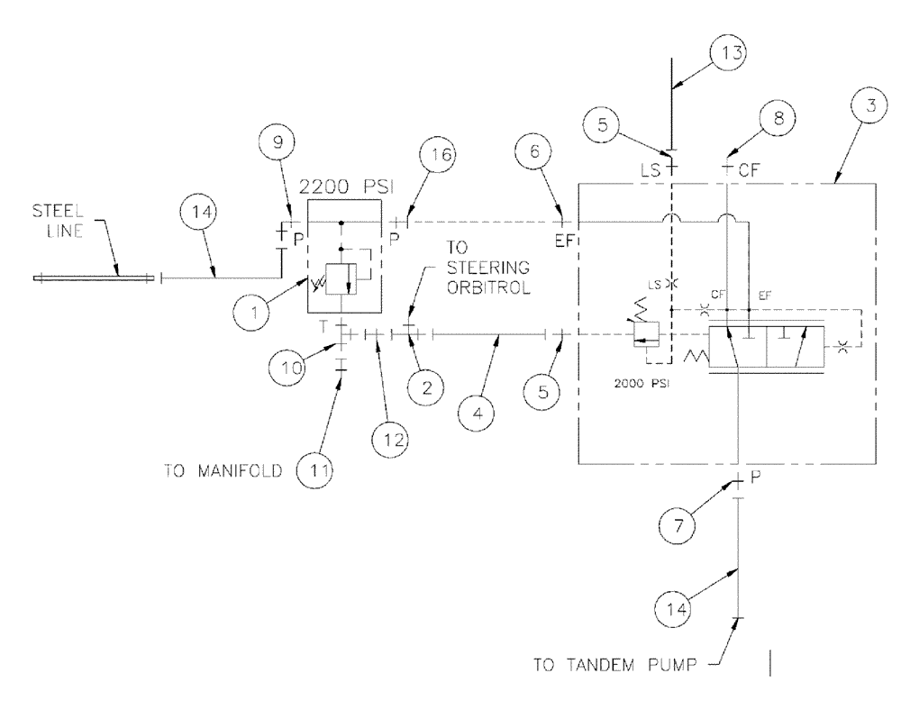
Запчасти Case IH 3210 (06-009) - PRESSURE CONTROL GROUP Hydraulic Plumbing

Схема запчастей Case IH 3210 - (06-009) - PRESSURE CONTROL GROUP Hydraulic Plumbing
7
1
2
11
5
12
3
6
14
8
5
4
10
13
14
16
9
FIT
1:1
100%

Артикул

Название

Примечание

Количество

1

BN29234

VALVE PRESSURE RELIE,1-1/16" - 12

O-Ring Port

1шт.

2

BN316059

FITTING

6MJ 6FJ 6MJ

1шт.

3

BN323098

VALVE

Priority, LS

1шт.

4

BN323229

HOSE

4 X 18"

1шт.

5

BN444005

FITTING

37 FLARE, 04-04

2шт.

6

BN444007

O-RING

37 FLARE,12-10

1шт.

7

BN444008

FITTING

8MJ 10MB

1шт.

8

BN445005

ADAPTER

adapter-90 37 flr 08

1шт.

9

BN445006

FITTING

8MJ 12MB X 90

1шт.

10

BN51536

PIPE FITTING

O-RING X 12 JIC

1шт.

11

BN53715

REDUCER

1-1/16"-12 x 3/4-16 JI

1шт.

12

BN53716

FITTING

REDUCER, 1-1/16-12 X 9/16-18

1шт.

13

BN54178

HOSE,6.35mm ID x 1676.4mm L, SAE 100R1

1/4" x 66", 100R1

1шт.

14

BN54183

HOSE,0.50" ID x 34.00", SAE 100R2

2шт.

16

BN57224

FITTING

12MB 12 FJX

1шт.

Выбрано товаров: 15