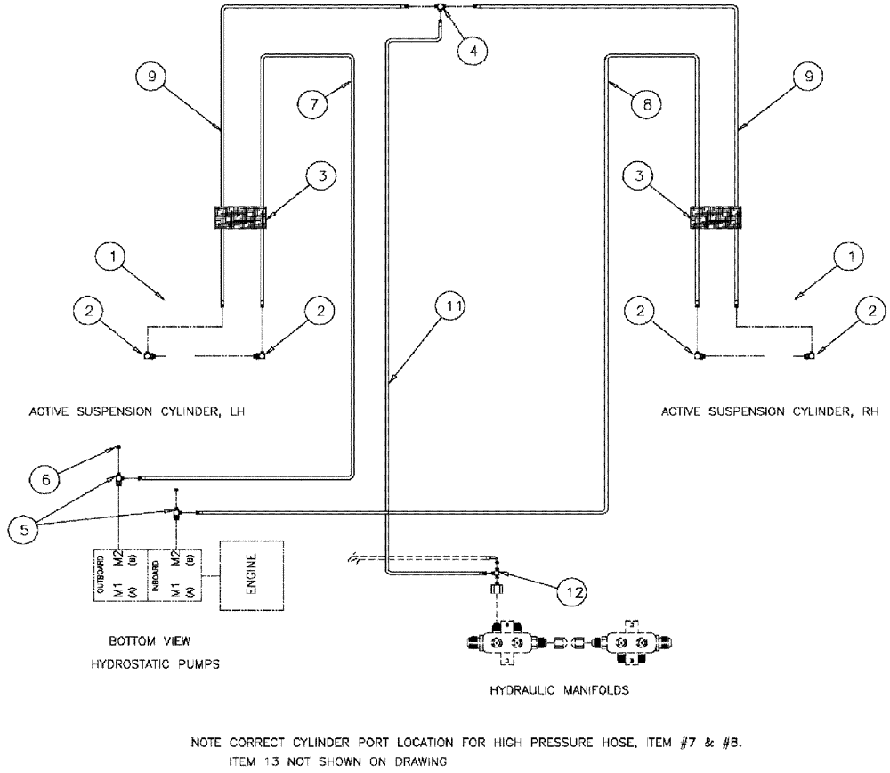
Запчасти Case IH 3210 (06-013) - ACTIVE SUSPENSION GROUP Hydraulic Plumbing

Схема запчастей Case IH 3210 - (06-013) - ACTIVE SUSPENSION GROUP Hydraulic Plumbing
9
2
12
3
1
2
8
1
2
7
4
5
2
3
9
11
6
FIT
1:1
100%

Артикул

Название

Примечание

Количество

1

NS

NOT SERVICED

Cylinder Group, Suspension

2шт.

See Fig. 06-014

1шт.

2

201-303

ELBOW,90 Degree Elbow, 9/16" - 18 Male ORFS x 7/16" - 20 Male ORB

4шт.

3

BN322741

SLEEVE

HOSE, 1.42 ID X 12

2шт.

4

BN302511

FITTING

4MOR 4MOR 4MOR

1шт.

5

BN302581

FITTING

4MOR 4MOR 6MBX

2шт.

6

BN305425

CAP

4 FFOR

2шт.

7

87272093

HOSE

4 X 159

1шт.

8

87272094

HOSE

Hydraulic, 1/4" id x 217"

1шт.

9

87272091

HOSE

Hydraulic, 1/4" id x 176"

2шт.

11

87272090

HOSE

4 X 50

1шт.

12

BN53960

TEE

JIC 1/4-20 MALE FEMALE

1шт.

13

BN313250

SUSPENSION

SHOCK ASSY, SEE FIG. 06-015

2шт.

Выбрано товаров: 13