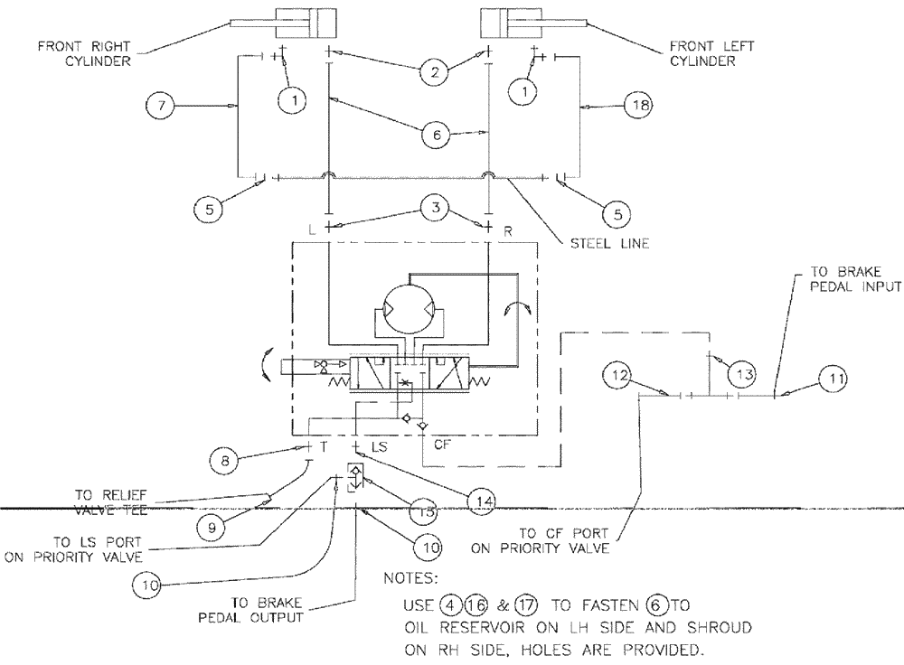
Запчасти Case IH 3210 (06-016) - HYDRAULIC GROUP, 2WS Hydraulic Plumbing

Схема запчастей Case IH 3210 - (06-016) - HYDRAULIC GROUP, 2WS Hydraulic Plumbing
8
9
14
10
7
5
1
5
1
11
18
3
13
10
2
12
6
15
FIT
1:1
100%

Артикул

Название

Примечание

Количество

1

201-304

ELBOW,90 Degree Elbow, 11/16" - 16 Male ORFS x 9/16" - 18 Male ORB

2шт.

2

9993143

HYD CONNECTOR,11/16" - 16 ORFS x 9/16" - 18 ORB

2шт.

3

BN303940

FITTING

6MOR 8MB 45

2шт.

4

86594406

CLAMP,15.9mm, Coat, 10.3mm Bolt Hole, P Type

3шт.

5

BN305412

O-RING

FOR 6 FFOR

2шт.

6

BN316687

HOSE

6 X 103"

2шт.

7

BN307877

HOSE ASSY.

1шт.

8

BN57226

ADAPTER

fitting, o-ring, 37 FL 8-6S

1шт.

9

BN68851

HYDRAULIC HOSE

3/8" I.D. x 80"

1шт.

10

BN444005

FITTING

37 FLARE, 04-04

2шт.

11

BN53714

FITTING

RDC, 3/4-16 X 7/16-20 JIC

1шт.

12

86986320

HOSE

8 x 80"

1шт.

13

BN51586

TEE

3/4-16, O-RING TO JIC

1шт.

14

BN310595

FITTING

4MB 4MB

1шт.

15

343925A1

HYDRAULIC VALVE

SHUTTLE, 5000 PSI

1шт.

16

87343970

NUT,3/8"-16, G8, DOR

2шт.

17

87342767

BOLT

3/8"-16 x 1-1/2", G5, Full Thd

2шт.

18

BN307821

HOSE ASSY.

1шт.

Выбрано товаров: 18