Запчасти Case IH 3210 (06-017) - AXLE ADJUST GROUP Hydraulic Plumbing

Схема запчастей Case IH 3210 - (06-017) - AXLE ADJUST GROUP Hydraulic Plumbing
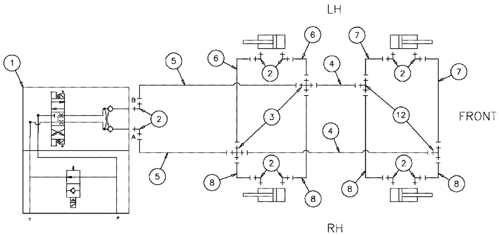
2
2
2
1
7
8
6
5
8
6
4
7
12
8
4
2
8
2
3
5
FIT
1:1
100%

Артикул

Название

Примечание

Количество

1

87271738

HYDRAULIC VALVE

Axle Adjust, 3210

1шт.

87272285

CHECK VALVE

10

2шт.

87272286

HYDRAULIC VALVE

10 3P4W

1шт.

Associated Part of Valve, Axle Adjust 3210, P/N 87271738

1шт.

87272287

HYDRAULIC VALVE

10 2P2W

1шт.

Associated Part of Parts Pkg. Louver & Misc, P/N BN311014

1шт.

87272288

COIL

DEUTSCH, DIODE, 12 VDC

3шт.

Associated Part of Valve, Axle Adjust 3210, P/N 87271738

1шт.

87272289

FITTING

DOUBLE, 10 SERIES

1шт.

Associated Part of Valve, Axle Adjust 3210, P/N 87271738

1шт.

2

BN22160

ELBOW

90° 9/16-18 O-Ring X 7/16-20 JIC

10шт.

3

BN54043

ADAPTER

cross, 1/4" jic

2шт.

4

BN55143

HOSE,6.35mm ID x 4064mm L, SAE 100R1

Assy, 1/4 x 160 100 R1

2шт.

5

BN53824

HOSE,6.35mm ID x 965.2mm L, SAE 100R1

1/4" ID x 38" 100R1

2шт.

6

BN55112

HOSE ASSY.

1/4" X 32" 100 R1

2шт.

7

BN46351

SLEEVE,6.35mm ID x 1092.2mm L, SAE 100R1

HOSE, 1/4" ID 100 R1 43"

2шт.

8

BN55183

HOSE ASSY.

1/4 X 23 100 R1

4шт.

9

120104

BOLT,Hex, M8 x 1.25 x 20mm, Cl 8.8

2шт.

10

86624184

WASHER,9mm ID x 16mm OD x 1.6mm Thk

2шт.

12

BN21422

TEE

7/16-20 JIC

2шт.

87266850

ADAPTER

2W DEU TO 2W PAC

3шт.

Выбрано товаров: 21