Запчасти Case IH 3210 (06-020) - LOADSHARE VALVE Hydraulic Plumbing

Схема запчастей Case IH 3210 - (06-020) - LOADSHARE VALVE Hydraulic Plumbing
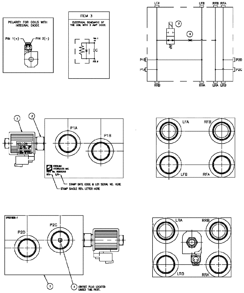
1
3
2
4
FIT
1:1
100%

Артикул

Название

Примечание

Количество

86509740

ELECTRO-VALVE

SOLENOID

1шт.

87269966

COIL

1шт.

87269969

ORIFICE

1шт.

87269977

SEAL KIT

SK08-2P

1шт.

BN300315

SEAL KIT

For BN300304

1шт.

2

BN300304

SOLENOID VALVE

Traction

1шт.

3

87267935

COIL

12V, DC

1шт.

Выбрано товаров: 7