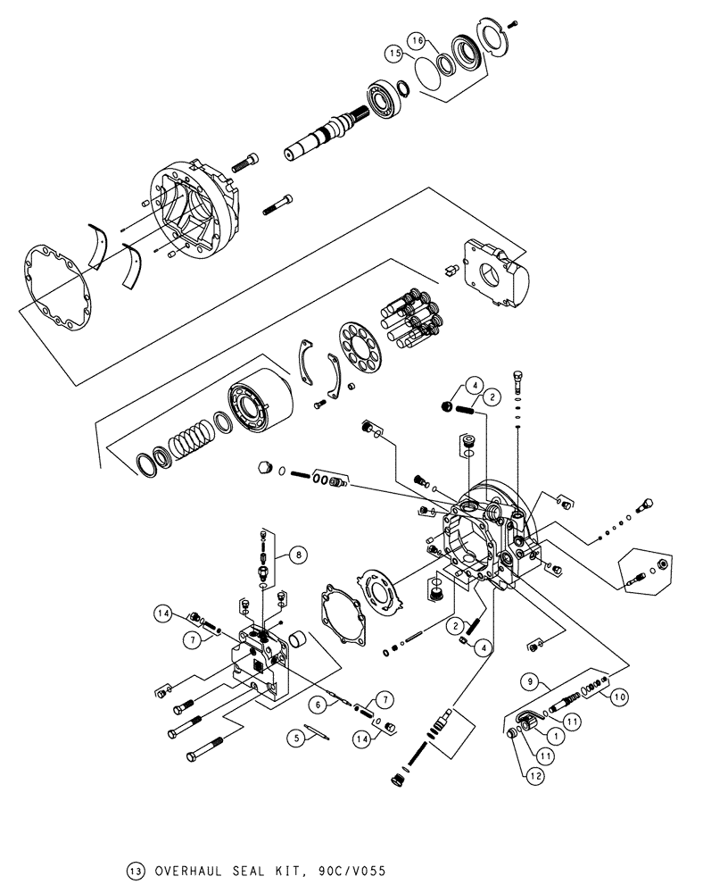
Запчасти Case IH 3210 (06-024) - WHEEL MOTOR, 90 SERIES, 55 CC Hydraulic Plumbing

Схема запчастей Case IH 3210 - (06-024) - WHEEL MOTOR, 90 SERIES, 55 CC Hydraulic Plumbing
14
14
9
11
2
12
1
7
7
11
8
4
13
5
15
16
2
10
4
6
FIT
1:1
100%

Артикул

Название

Примечание

Количество

1

87270246

SERVICE KIT

COIL, M-PACK CONNECTOR

1шт.

2

BN321152

BOLT

MIN. DISPLACEMENT

2шт.

4

BN321154

NUT

SEAL DISPLACEMENT

2шт.

5

BN321231

HYD CONNECTOR

LOOP FLUSH DEFEAT SPOOL

1шт.

6

BN321270

SPOOL

SHUTTLE

1шт.

7

87270615

GUIDE

SPRING

2шт.

8

BN321274

SERVICE KIT

CARTRIDGE, CHRGE RELF

1шт.

9

87267371

SEAL KIT

CONTROL VALVE

1шт.

10

BN321277

SEAL KIT

SEAL

1шт.

11

BN321278

RING

2шт.

12

BN321279

NUT

1шт.

13

BN321280

SEAL KIT

Overhaul

1шт.

14

BN321282

BOOT

PLUG, SPECIAL

2шт.

15

BN68559

RING

SHAFT

1шт.

16

BN68560

SEAL

LIP SHAFT

1шт.

Выбрано товаров: 15