Запчасти Case IH 3210 (04-004) - CYLINDER GROUP, 2 WHEEL STEER Suspension & Frame

Схема запчастей Case IH 3210 - (04-004) - CYLINDER GROUP, 2 WHEEL STEER Suspension & Frame
8
7
8
4
3
4
1
7
2
3
2
1
FIT
1:1
100%

Артикул

Название

Примечание

Количество

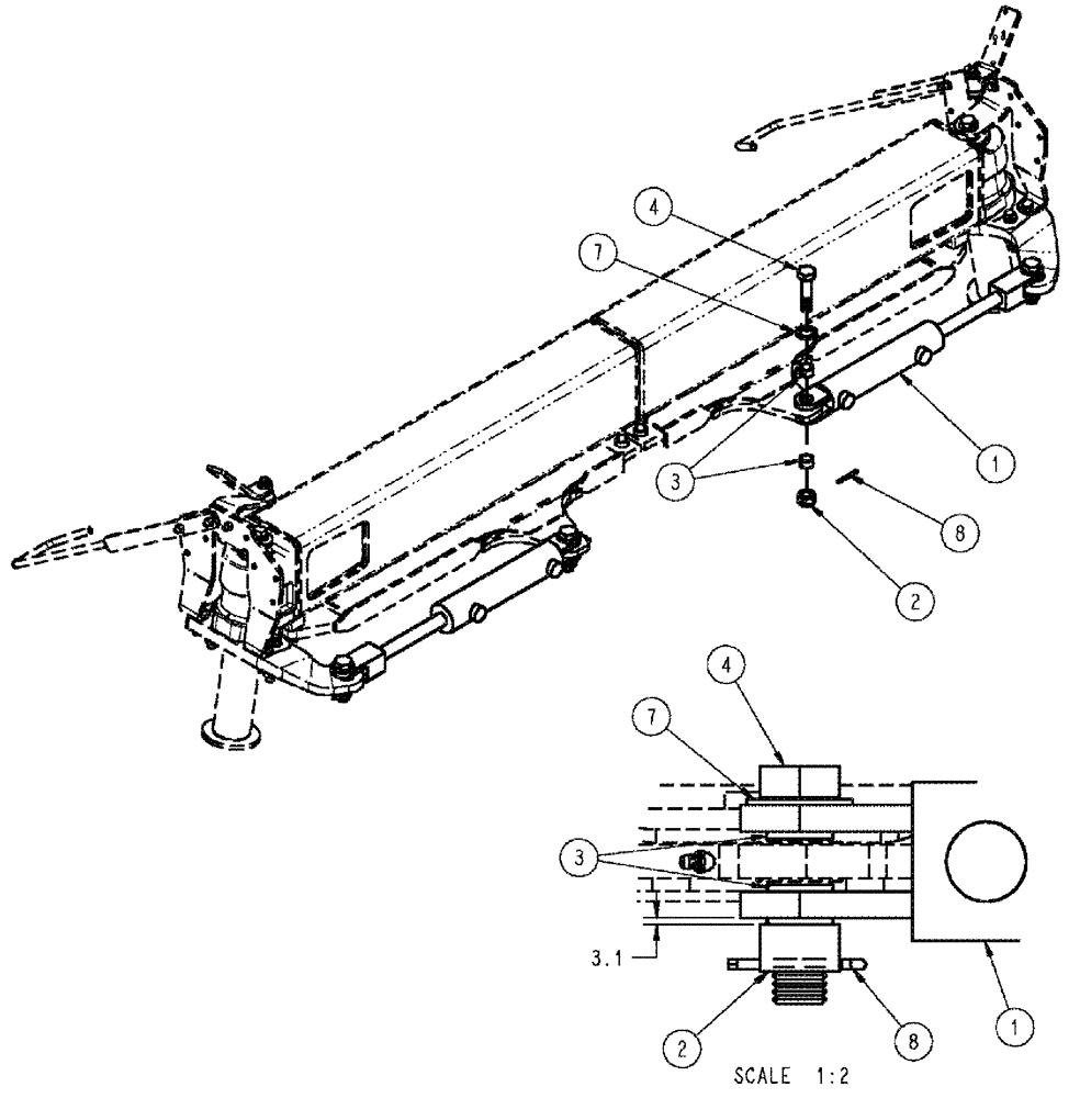
1

BN321500

CYLINDER ASSY.,Double Acting, 31.75mm Rod, 254mm Stroke

HYD, 2.50 x 10 x 1.25, SEE FIG. 07-003

2шт.

2

425-1216

SLOTTED NUT,Hex, 1"-8, G5

4шт.

3

87269214

BUSHING,25.4mm ID x 32.38mm OD x 19.05mm L

SPRING

8шт.

4

84600698

BOLT

Steering, 1"-8, DOR

4шт.

7

495-81278

WASHER,33.53mm ID x 50.8mm OD x 3.35mm Thk

4шт.

8

BN50601

PIN, SPLIT (COTTER)

PIN, COTTER 3/16 X 2"

4шт.

Выбрано товаров: 6