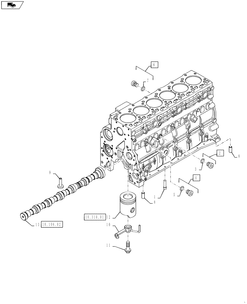
Запчасти Case IH 3230 (10.001.03) - ENGINE CYLINDER BLOCK - PLUG ASSEMBLY (10) - ENGINE

Схема запчастей Case IH 3230 - (10.001.03) - ENGINE CYLINDER BLOCK - PLUG ASSEMBLY (10) - ENGINE
3
4
13
7
home
10.310.01
10.106.02
5
8
10
6
9
12
2
8
1
11
FIT
1:1
100%

Артикул

Название

Примечание

Количество

1

4896153

PLUG

IF USED

6шт.

2

4895605

HEX SOCKET PLUG,M14 x 1.5

2шт.

3

4899115

O-RING,2.2mm Thk x 11.3mm ID

1шт.

4

4899009

PLUG,M10 x1

2шт.

5

4899072

O-RING,1.6mm Thk x 8.1mm ID

1шт.

6

4895392

HEX SOCKET PLUG,M18 x 1.5

2шт.

7

4895393

O-RING,2.2mm Thk x 15.3mm ID

1шт.

8

4895049

DOWEL,M16.05 x 10

2шт.

9

4891226

TAPPET

12шт.

10

2852202

NOZZLE, PISTON COOLI

6шт.

11

4894218

SCREW,Special, M8 x 20

6шт.

12

NSS

NOT SOLD SEPARAT

INSTRUCTION, PISTON

6шт.

Refer to 10.310.01

1шт.

13

REF

INSTRUCTION

CAMSHAFT

1шт.

Refer to 10.106.02

1шт.

Выбрано товаров: 0