Запчасти Case IH 3230 (55.510.01) - PACKAGE, ELECTRICAL GROUP, CAB (55) - ELECTRICAL SYSTEMS

Схема запчастей Case IH 3230 - (55.510.01) - PACKAGE, ELECTRICAL GROUP, CAB (55) - ELECTRICAL SYSTEMS
14
13
17
55.510.02
55.440.13
55.510.02
55.510.02
18
2
15
13
home
9
16
3
6
7
11
10
8
12
1
4
8
5
13
FIT
1:1
100%

Артикул

Название

Примечание

Количество

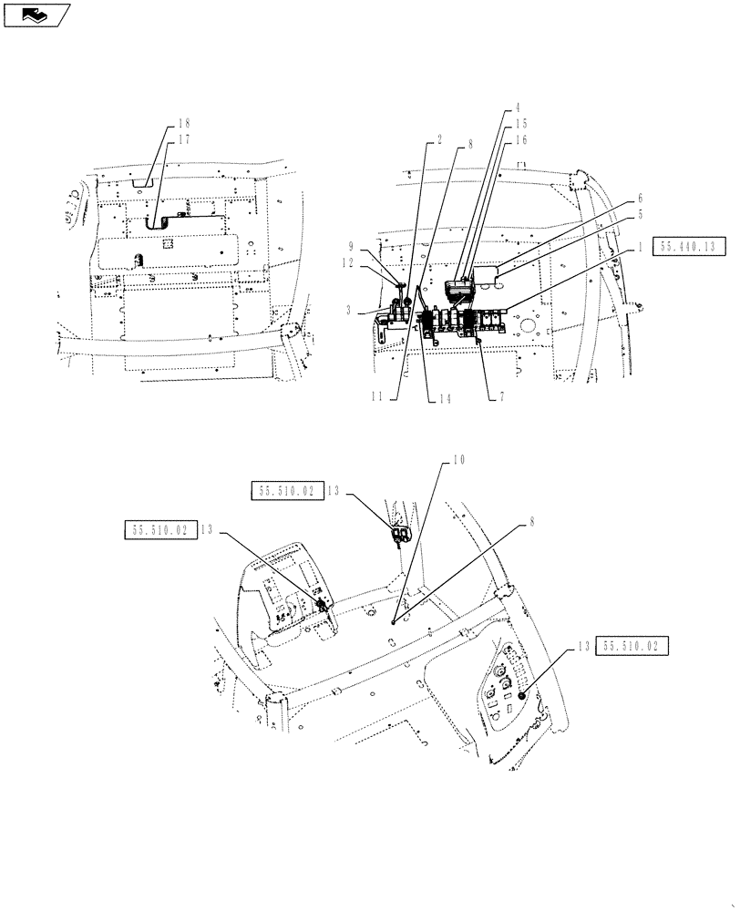
1

87476207

MODULE

ELECT MAIN CAB, BSN YBT029371

1шт.

Refer to 55.440.13

1шт.

1

84195134

MODULE

ELECT MAIN CAB, Used On SN YBT029371 And After

1шт.

Refer to 55.440.13

1шт.

2

A187523

JUNCTION BLOCK

ASSY

1шт.

3

311430A1

BLOCK

junction assembly

1шт.

4

437550A1

FLANGE

DEUTSCH INTERFACE

1шт.

5

780-34319

SELF-TAP SCREW,Hex Wash Hd, M4.8 x 19

6шт.

6

84150025

MODULE

flasher interface

1шт.

7

781-24820

SELF-TAP SCREW,Hex Flg, M8 x 1.25 x 20mm

5шт.

8

86624184

WASHER,9mm ID x 16mm OD x 1.6mm Thk

3шт.

9

20-1451T1

BLOCK

Junction

1шт.

10

43128

BOLT,M8 x 1.25 x 30mm, Cl 8.8

1шт.

11

9706690

NUT,M8 x 1.25, Cl 8

2шт.

12

840-1516

SCREW,Pan, M5 x 16mm, Cl 4.8

2шт.

13

REF

INSTRUCTION

PACKAGE, ELECTRICAL GRP, CAB

1шт.

Refer to 55.510.02

1шт.

14

87394246

DECAL

GRN TEST POINT

1шт.

15

515-22159

CLAMP,5/8", Insul, 5/16" Bolt

1шт.

16

825-51410

FLANGE NUT,M10, Flg Ser

1шт.

17

BN54029

DOOR SEAL

CLIP ON RUBBER-BULK

1шт.

18

87711494

DECAL

COVER, BLACK

1шт.

Выбрано товаров: 0