Качественные детали и логистика
Оригинальные и аналоговые запчасти с доставкой по России, Казахстану и Беларуси
©2022 PartSell ООО "Система" ИНН 2463123282 ОГРН 1212400004838
Центральный офис: г. Красноярск, Академика Киренского, д.87, пом.4
Телефон: 8 (800) 777-65-74 Email: zakaz@partsell.ru
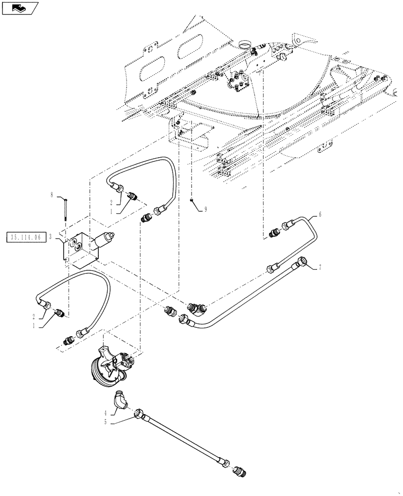
(35.104.01) - PRODUCT PUMP HYDRAULIC GROUP
№
Артикул
Название
Примечание
Количество
1
BN302655
FITTING
1-3/16"-12 ORFS x 1-1/16"-12 ORB
2шт.
2
86986096
HOSE,19.05mm ID x 736.6mm L, SAE 100R17
12 x 29"
3
342100A1
VALVE
Product, With Fittings
1шт.
4
BN302549
ELBOW
9/16-18 ORFS x 9/16-18 ORB
5
BN322267
HOSE
4 X 67"
6
87271550
12 X 45
7
87272444
12 X 138
8
86980371
BOLT,Hex, M6 x 110mm, Cl 8.8
9
353308
NUT,M6 x 1.0, Cl 8
Выбрано товаров: 0