Запчасти Case IH 3330 (35.359.02) - VALVE CONTROL - 8 BANK WITH FITTINGS (35) - HYDRAULIC SYSTEMS

Схема запчастей Case IH 3330 - (35.359.02) - VALVE CONTROL - 8 BANK WITH FITTINGS (35) - HYDRAULIC SYSTEMS
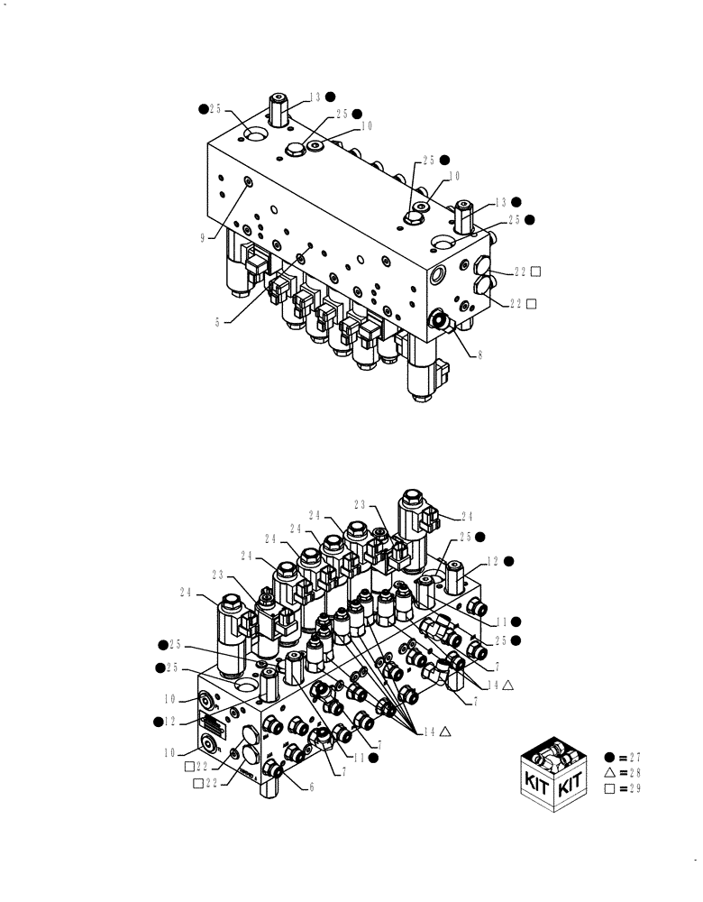
24
25
10
13
14
11
14
10
7
24
22
29
23
9
24
7
25
22
25
27
11
8
10
23
22
10
6
12
25
5
25
24
24
25
7
7
28
22
13
25
25
24
12
FIT
1:1
100%

Артикул

Название

Примечание

Количество

1

87758332

ORIFICE

Disk .059

2шт.

2

87758330

ORIFICE

Disk .041

4шт.

3

NS

NOT SERVICED

Nameplate, Blank

1шт.

4

NS

NOT SERVICED

Body

1шт.

5

NS

NOT SERVICED

Plug, 8 mm, expander SS

51шт.

6

BN302646

FITTING

11/16-16 ORFS x 9/16-18 ORB

6шт.

7

BN302553

ELBOW

11/16-16 ORFS x 9/16-18 ORB

4шт.

8

BN302558

ELBOW

13/16-16 ORFS x 3/4-16 ORB

1шт.

9

NS

NOT SERVICED

Plug, 4 SAE Straight

28шт.

10

NS

NOT SERVICED

Plug, 8 SAE Straight

4шт.

11

87758329

VALVE

Relief

2шт.

12

87758328

VALVE

Relief, 1500 PSI

2шт.

13

87758327

VALVE

Relief, 3000 PSI

2шт.

14

84141863

VALVE

Counterbalance, 3000 psi

8шт.

15

87758326

RETAINER

Snap Ring, Valve

6шт.

16

87758325

PISTON

Valve Bank

2шт.

17

87758324

PISTON

Valve Bank

2шт.

18

87758323

ORIFICE

.039

12шт.

19

87758322

ORIFICE

.047

12шт.

20

87758321

ORIFICE

.071

2шт.

21

87758320

RING

Backup, Teflon

8шт.

22

87473321

VALVE

Shuttle

4шт.

23

87758319

SOLENOID VALVE

With Coil

2шт.

24

87473320

VALVE

Proportional

6шт.

25

87758336

VALVE

Check

8шт.

26

NS

NOT SERVICED

Screw - drive 4 x 3/16

2шт.

27

87472226

SEAL KIT

1шт.

28

84142309

SEAL KIT

1шт.

29

87746970

SEAL KIT

1шт.

Выбрано товаров: 29