Запчасти Case IH 3330 (35.900.03) - HYDRAULIC GROUP, OUTER FOLD - NO CYLINDER (35) - HYDRAULIC SYSTEMS

Схема запчастей Case IH 3330 - (35.900.03) - HYDRAULIC GROUP, OUTER FOLD - NO CYLINDER (35) - HYDRAULIC SYSTEMS
5
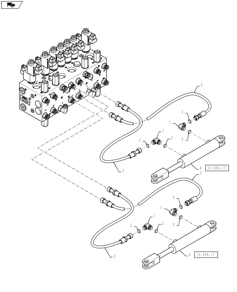
1
3
6
3
4
6
2
home
2
3
2
1
5
3
1
2
35.900.17
35.900.17
1
4
FIT
1:1
100%

Артикул

Название

Примечание

Количество

1

BN302553

ELBOW

11/16-16 ORFS x 9/16-18 ORB

4шт.

2

237-6006

O-RING,0.078" Thk x 0.468" ID, -906, Cl 6, 90 Duro

2шт.

3

9993141

O-RING,0.07" Thk x 0.364" ID, -12, Cl 6, 90 Duro

2шт.

4

BN307879

HOSE ASSY.,6.35mm ID x 9855.2mm L

2шт.

5

BN307880

HOSE ASSY.,6.35mm ID x 9423.4mm L, SAE 100R17

2шт.

6

87266449

CYLINDER,Double Acting, 31.75mm Rod, 508mm Stroke

Hydraulic, 2 x 20 x 1.25, Complete

2шт.

Refer to 35.900.17(02)

1шт.

6

87266449R

REMAN-HYD CYLINDER

3330 PATRIOT SPRAYER, Hydraulic, 2 x 20 x 1.25, Complete, OUTER FOLD (11/08-)

2шт.

6

87266449C

CORE-HYD CYLINDER

Return Number

2шт.

Выбрано товаров: 9