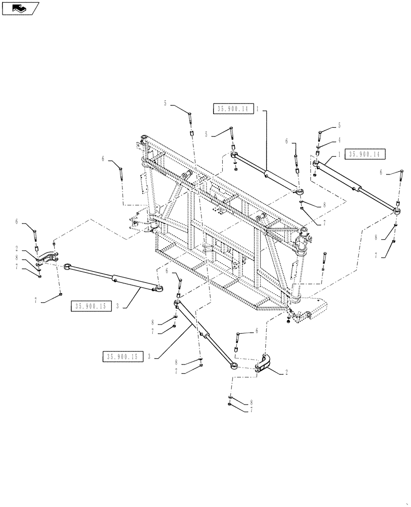
Запчасти Case IH 3330 (39.105.08[01]) - PIVOT ASSEMBLY, CENTER SECTION, 90/100 (39) - FRAMES AND BALLASTING

Схема запчастей Case IH 3330 - (39.105.08[01]) - PIVOT ASSEMBLY, CENTER SECTION, 90/100 (39) - FRAMES AND BALLASTING
8
7
7
4
7
1
3
8
6
6
5
6
2
7
8
home
5
5
2
35.900.14
35.900.15
35.900.14
35.900.15
6
8
7
7
8
3
6
7
1
6
8
FIT
1:1
100%

Артикул

Название

Примечание

Количество

1

87272676

HYDRAULIC CYLINDER

2.5 x 21.31 x 1.38

2шт.

1

84188920R

REMAN-HYD CYLINDER

3330 PATRIOT SPRAYER, 2.5 x 21.31 x 1.38, CENTER SECTION, 90'/100' (11/08-), Reman for New PN 87272676

2шт.

1

84188920C

CORE-HYD CYLINDER

Return Number

2шт.

2

87708068

ARM

INNER BREAKAWAY

2шт.

3

87266460

CYLINDER,Double Acting, 34.92mm Rod, 549.4mm Stroke

Hydraulic, 2.5 x 21.62 x 1.375

4шт.

87266460R

REMAN-HYD CYLINDER

3330 - PATRIOT SPRAYER (11/08-)

4шт.

87266460C

CORE-HYD CYLINDER

Return Number

1шт.

4

87529307

WASHER,22mm ID x 37mm OD x 4mm Thk

22 x 37 x 4 mm, HDN, DOR

2шт.

5

BN310280

BOLT

M20 X 125 Shank, Cutoff

4шт.

6

BN310279

BOLT

M20 X 108 SHANK, CUTOFF

6шт.

7

86980518

NUT,Hex, M20 - 2.5, Cl 8.8, DOR

10шт.

8

87310608

WASHER,22mm ID x 44mm OD x 5mm Thk

22 x 44 x 5 mm, HDN, DOR

10шт.

9

87708067

BUSHING,20.63mm ID x 31.75mm OD x 101mm L

Pivot

2шт.

10

87341999

BOLT,Hex, M20 x 140mm, Cl 10.9

M20 X 140 10.9 DOR

2шт.

Выбрано товаров: 14