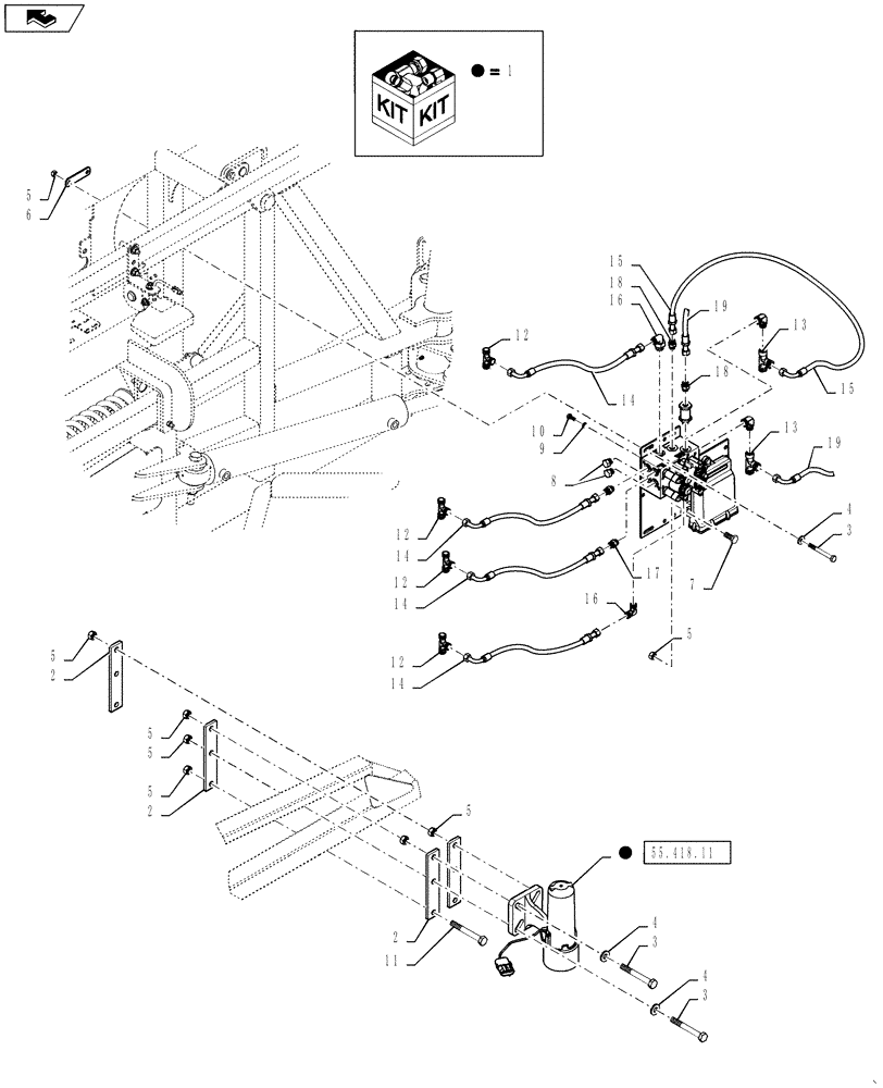
Запчасти Case IH 3330 (55.418.08[01]) - AUTOBOOM, ULTRAGLIDE, 120, BOOM LEVEL ONLY (55) - ELECTRICAL SYSTEMS

Схема запчастей Case IH 3330 - (55.418.08[01]) - AUTOBOOM, ULTRAGLIDE, 120, BOOM LEVEL ONLY (55) - ELECTRICAL SYSTEMS
19
14
2
2
5
17
1
14
7
3
4
5
12
14
1
16
18
13
12
5
1
5
5
9
13
6
15
5
home
4
5
4
11
19
14
55.418.11
15
2
18
3
12
16
8
12
10
3
FIT
1:1
100%

Артикул

Название

Примечание

Количество

1

84179815

SERVICE KIT

KIT, AUTOBOOM, 120', Serial Range: -YAT027104

1шт.

Refer to 55.418.11

1шт.

1

47545012

CONTROLLER

KIT, AUTOBOOM, 120', Start Serial: YAT027105

1шт.

Refer to 55.418.11

1шт.

2

87707554

BRACKET, SUPPORTING

SPRAYBAR MOUNT

8шт.

3

86980409

BOLT,Hex, M10 x 1.5 x 90mm, Cl 8.8

12шт.

4

87529312

WASHER,11mm ID x 24mm OD x 3mm Thk

10шт.

5

86980515

NUT,Hex, M10 x 1.5, Cl 8.8, DOR

19шт.

6

87620862

PLATE

2.5" TUBE

2шт.

7

86980401

BOLT,Hex, M10 x 1.5 x 30mm, Cl 8.8, Full Thd

3шт.

8

BN446048

PLUG

HEX, ORB 9/16-18 3/8 TUBE

2шт.

9

80681

LOCK WASHER,5/16"

4шт.

10

87342632

BOLT,Hex, 5/16" - 18 x 3/4", Gr 5, Full Thd

4шт.

11

86980408

BOLT,Hex, M10 x 1.5 x 80mm, Cl 8.8

4шт.

12

BN302435

TEE

11/16 -16 ORFS x 11/16 -16 ORFS Swivel

4шт.

13

BN302436

TEE

13/16 -16 ORFS x 13/16 -16 ORFS Swivel

2шт.

14

84164481

HOSE,9.53mm ID x 1066mm L, SAE 100R17

-6 X 1066MM

4шт.

15

87487132

HOSE ASSY.

-8 X 813 MM

1шт.

16

BN302554

FITTING

11/16-16 ORFS x 3/4-16 ORB x 90 Deg

2шт.

17

BN302646

FITTING

11/16-16 ORFS x 9/16-18 ORB

2шт.

18

BN302650

FITTING

13/16 -16 ORFS x 3/4 -16 ORB

2шт.

19

87487133

HOSE ASSY.

-8 X 864 MM

1шт.

Выбрано товаров: 22