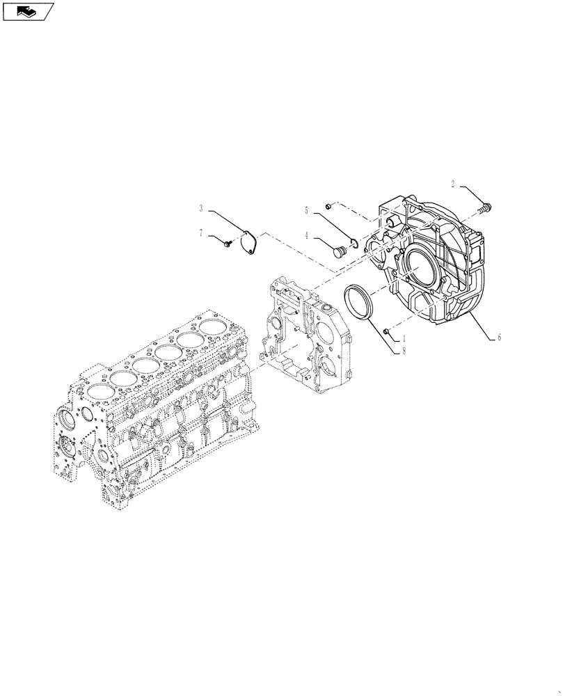
Запчасти Case IH 3330 (10.103.01) - FLYWHEEL HOUSING (10) - ENGINE

Схема запчастей Case IH 3330 - (10.103.01) - FLYWHEEL HOUSING (10) - ENGINE
7
8
6
3
2
1
home
5
4
FIT
1:1
100%

Артикул

Название

Примечание

Количество

1

4899026

DOWEL,M18 x 10

2шт.

2

4899109

SCREW,Hex, M10 x 1.5 x 80

2шт.

2

4899076

SCREW,Hex Flg, M12 x 1.75 x 80

6шт.

2

4892915

FLANGE BOLT,Hex, M10 x 1.5 x 40mm

10шт.

2

2852426

SCREW

M12 X 110

2шт.

3

4895155

COVER

1шт.

4

4895378

BUTTON PLUG,M29.2

1шт.

5

4895379

O-RING,21.82mm ID x 3.53mm Width

1шт.

6

2854528

HOUSING

FLYWHEEL

1шт.

7

4899068

BOLT,Flng, M8 x 1.25 x 16mm

2шт.

8

4890833

OIL SEAL,M130 x 155 x 12.5/16

1шт.

Выбрано товаров: 11