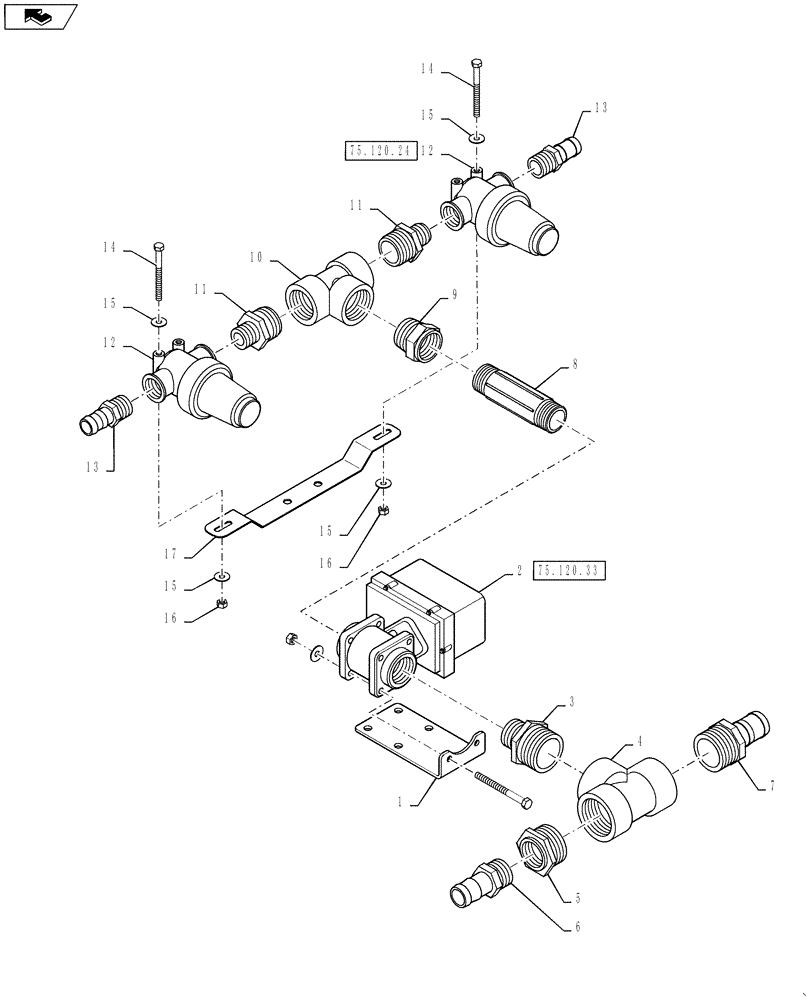
Запчасти Case IH 3330 (75.120.34) - VALVE PLUMBING GROUP, 5 SECTION (75) - SOIL PREPARATION

Схема запчастей Case IH 3330 - (75.120.34) - VALVE PLUMBING GROUP, 5 SECTION (75) - SOIL PREPARATION
10
11
8
11
12
15
3
1
14
16
2
75.120.33
75.120.24
16
5
13
12
15
15
9
17
6
4
13
7
15
14
home
FIT
1:1
100%

Артикул

Название

Примечание

Количество

1

BN320992

BRACKET

NPT Ball Valve

1шт.

2

87268179

VALVE

1.25" Ball, Electric

1шт.

Refer to 75.120.33

1шт.

3

BN317158

NIPPLE,2" Male NPT x 1-1/4" Male NPT

2" x 1 1/4" Reducer

1шт.

4

BN73779

TEE,2" Poly Tee

2" Poly Pipe

1шт.

5

BN73755

BUSHING,2" Male NPT x 1-1/4" Female NPT, Poly

reducer 2 x 1.25

1шт.

6

87743696

FITTING

1-1/4" NPT X 1-1/4" Hose Barb, Poly

1шт.

7

BN305163

FITTING,2" - 11-1/2 Male NPT x 1-1/2" Hose Barb, Poly

2" NPT x 1.5" Hose Barb

1шт.

8

BN321466

LUBE NIPPLE,1-1/4" Male NPT x 1-1/4" Male NPT, 6" Long

1-1/4" NPT X 6", Poly

1шт.

9

BN73726

REDUCER FITTING,1-1/2" MPT x1-1/4" FPT Reducing Bushing

1-1/2" NPT X 1-1/4" NPT, Poly

1шт.

10

BN73714

TEE,1-1/2" Female NPT x 1-1/2" Female NPT x 1-1/2" Female NPT, Poly

1-1/2" NPT, Poly

1шт.

11

BN73741

NIPPLE

1-1/2" NPT x 1" NPT, Poly

2шт.

12

BN320072

FILTER STRAINER

1" NPT, 50 Mesh, Poly

2шт.

Refer to 75.120.24

1шт.

13

BN53476

FITTING,1" Male NPT x 1" Hose Barb, Poly

1" NPT x 1" Hose Barb, Poly

2шт.

14

BN320109

BOLT,5/16"-18 X 3.50", Stainless

2шт.

15

BN50142

WASHER,5/16", Stainless Steel

4шт.

16

BN55361

NUT,5/16"-18, Nylon, Stainless

2шт.

17

BN320993

BRACKET

STRAINER, TWO 1"

1шт.

Выбрано товаров: 19