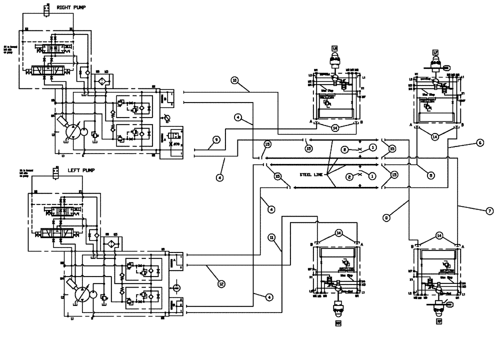
Запчасти Case IH 4420 (06-022) - HYDRAULIC DRIVE LOOP GROUP Hydraulic Plumbing

Схема запчастей Case IH 4420 - (06-022) - HYDRAULIC DRIVE LOOP GROUP Hydraulic Plumbing
1
10
12
4
2
14
8
2
15
14
9
6
15
1
15
4
11
7
14
5
15
4
15
4
14
FIT
1:1
100%

Артикул

Название

Примечание

Количество

1

9825770

O-RING,0.07" Thk x 0.301" ID, -11, Cl 6, 90 Duro

9/16", ORFS

2шт.

2

BN305425

CAP

4 FFOR

2шт.

3

BN320383

CLAMP

1.25" W/320382

16шт.

4

342930A1

HOSE,25.4mm ID x 1676.4mm L

16 x 66"

4шт.

5

BN307796

HOSE ASSY.,25.4mm ID x 2717.8mm L, SAE 100R13

1шт.

6

BN307797

HOSE ASSY.,25.4mm ID x 2819.4mm L, SAE 100R13

1шт.

7

BN307798

HOSE ASSY.,25.4mm ID x 2819.4mm L, SAE 100R13

1шт.

8

BN307799

HOSE ASSY.,25.4mm ID x 2717.8mm L, SAE 100R13

1шт.

9

87546259

HOSE,25.4mm ID x 182mm L

1шт.

9a

238-6021

O-RING,15/16 X 1 - 1/16, Cl 6

2шт.

10

BN307801

HOSE ASSY.,25.4mm ID x 4622.8mm L, SAE 100R 13

1шт.

11

87546260

HOSE,25.4mm ID x 182mm L

ASSY, -16 X 194

1шт.

12

BN307803

HOSE ASSY.,25.4mm ID x 4622.8mm L, SAE 100R13

1шт.

13

515-23508

CLAMP,2", Insul, 3/8" Bolt

6шт.

14

BN52315

KIT

1" Split Flange Code 62

8шт.

15

9824050

O-RING,0.07" Thk x 0.926" ID, -21, Cl 6, 90 Duro

8шт.

16

BN67495

CLAMP

DUAL (1 1/2" TUBE)

4шт.

Does not include 87000231

1шт.

16

87000231

PLATE

hose clamp bar

8шт.

17

9991588

NUT,M8 x 1.25, Cl 8

6шт.

18

86980388

BOLT,Hex, M8 x 1.25 x 80mm, Cl 8.8

M8-1.25 X 80, HH, 8.8, DOR

2шт.

20

87529315

WASHER,9mm ID x 17mm OD x 2mm Thk

9 x 17 x 2 mm, HDN, DOR

4шт.

21

86980381

BOLT,Hex, M8 x 1.25 x 30mm, Cl 8.8

2шт.

Выбрано товаров: 23