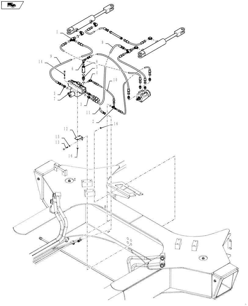
Запчасти Case IH 4420 (06-043) - HYDRAULIC GROUP, AUTO GUIDE Hydraulic Plumbing

Схема запчастей Case IH 4420 - (06-043) - HYDRAULIC GROUP, AUTO GUIDE Hydraulic Plumbing
2
8
3
3
14
16
6
1
5
7
10
9
15
home
12
9
16
11
4
13
FIT
1:1
100%

Артикул

Название

Примечание

Количество

1

BN302435

TEE

11/16 -16 ORFS x 11/16 -16 ORFS Swivel

2шт.

2

BN302436

TEE

13/16 -16 ORFS x 13/16 -16 ORFS Swivel

1шт.

3

BN302646

FITTING

11/16-16 ORFS x 9/16-18 ORB

3шт.

4

BN302558

ELBOW

13/16-16 ORFS x 3/4-16 ORB

1шт.

5

BN322765

FITTING

8MB, ADAPTER

1шт.

6

BN302554

FITTING

11/16-16 ORFS x 3/4-16 ORB x 90 Deg

1шт.

6a

128825

O-RING,0.087" Thk x 0.644" ID, -908, Cl 6, 90 Duro

3/4", ORB

2шт.

6b

9993141

O-RING,0.07" Thk x 0.364" ID, -12, Cl 6, 90 Duro

11/16", OFRS

2шт.

7

87609218

VALVE

auto guide

1шт.

7a

87726186

MANIFOLD VALVE

Block, Eaton

1шт.

Associated Part of Valve, P/N 87609218

1шт.

7b

87662363

HYDRAULIC VALVE

Solenoid

1шт.

Associated Part of Valve, Auto Guide, P/N 87609218

1шт.

7c

87662364

HYDRAULIC VALVE

Directional

1шт.

Associated Part of Valve, Auto Guide, P/N 87609218

1шт.

7d

87623908

COIL ASSY.

1шт.

Associated Part of Valve, Auto Guide, P/N 87609218

1шт.

7e

87662365

COIL

1шт.

Associated Part of Valve, Auto Guide, P/N 87609218

1шт.

8

47626971

FLOW CONTROL VALVE

Auto Guide, Hydraulic Flow Control

1шт.

9

BN320874

HOSE ASSY.,9.53mm ID x 1625.6mm L, SAE 100R17

-6 X 64"

2шт.

10

BN309746

HOSE

08 X 25

1шт.

11

BN314945

HOSE ASSY.

1шт.

12

87609209

MOUNTING PLATE

AUTO GUIDANCE

1шт.

13

120100

BOLT,M6 x 20mm, Cl 8.8

2шт.

14

86980368

BOLT,Hex, M6 x 1 x 70mm, Cl 8.8

2шт.

15

353308

NUT,M6 x 1.0, Cl 8

4шт.

16

87529314

WASHER,6.6mm ID x 12.5mm OD x 2mm Thk

6.6 x 12.5 x 2 mm, HDN, DOR

4шт.

Выбрано товаров: 28