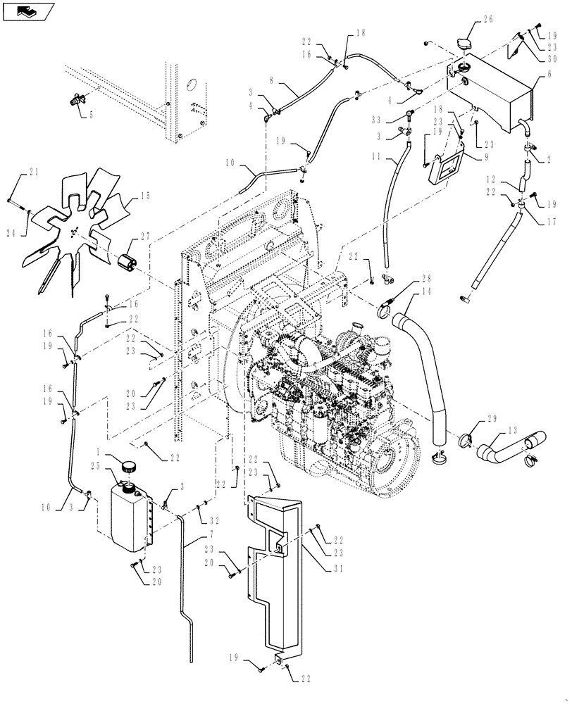
Запчасти Case IH 4420 (03-031) - RADIATOR GROUP COMPONENTS (01) - ENGINE

Схема запчастей Case IH 4420 - (03-031) - RADIATOR GROUP COMPONENTS (01) - ENGINE
19
3
23
16
26
16
23
9
16
18
30
3
23
4
18
1
19
22
22
8
23
7
22
20
12
19
27
10
20
10
23
16
22
6
19
31
22
3
25
28
23
22
22
23
22
23
24
23
4
19
32
5
15
19
33
14
2
22
20
29
3
22
17
19
home
21
11
13
FIT
1:1
100%

Артикул

Название

Примечание

Количество

1

86507190

CAP

Coolant Recovery Bottle

1шт.

2

86625021

HOSE CLAMP,17.5mm - 31.7mm, Worm Gear

2шт.

3

214-1704

HOSE CLAMP,#04, 0.25" - 0.62", Type M Worm

7шт.

4

217-291

FITTING,90 Degree Elbow, 5/16" Hose Barb x 1/8" Male NPTF

2шт.

5

86625234

DRAINCOCK/TAP SUPPLY,1/4" NPTF

Valve, 1/4" Weatherhead

1шт.

6

87265331

TANK

Dearation

1шт.

7

BN314262

HOSE,0.31" ID x 36.00"

Rubber

1шт.

8

BN315971

HOSE,0.31" ID x 40.00"

1шт.

9

86986821

MOUNTING PLATE

Dearation Tank

1шт.

10

BN306821

HOSE,0.75" ID, Bulk

80.75"

1шт.

Cut from Bulk 80.75"

1шт.

11

87267875

FUEL HOSE,9.53mm ID x 2076.45mm L, SAE 30R7

Fuel, 3/8" Bulk

1шт.

Cut 26.5" from bulk roll

1шт.

12

BN2293891

HOSE,0.75" ID

1шт.

Cut from Bulk 38"

1шт.

13

BN324097

RADIATOR HOSE,57.20 mm ID, 76.20 mm ID x 538.00 mm, SAE 20R4 Class D1 per SAE J20

Radiator, Lower

1шт.

14

BN324098

RADIATOR HOSE,57.20 mm ID, 63.50 mm ID x 581.00 mm, SAE 20R4 Class D1 per SAE J20

Radiator, Upper

1шт.

15

343228A1

FAN

32 Inch, 778D

1шт.

15

84342030

KIT

Reversing Fan

1шт.

16

86625036

CLAMP,12.7mm, Coat, 8.7mm Bolt Hole, P Type

6шт.

17

9827902

CLAMP,25.4mm, Coat, 10.3mm Bolt Hole, P Type

1шт.

18

86980378

BOLT,Hex, M8 x 1.25 x 16mm, Cl 8.8, Full Thd

3шт.

19

86980379

BOLT,Hex, M8 x 1.25 x 20mm, Cl 8.8

11шт.

20

86980380

BOLT,Hex, M8 x 1.25 x 25mm, Cl 8.8, Full Thd

5шт.

21

86980411

BOLT,Hex, M10 x 1.5 x 110mm, Cl 8.8

4шт.

22

9991588

NUT,M8 x 1.25, Cl 8

16шт.

23

87529315

WASHER,9mm ID x 17mm OD x 2mm Thk

9 x 17 x 2 mm, HDN, DOR

14шт.

24

87529312

WASHER,11mm ID x 24mm OD x 3mm Thk

4шт.

25

87481454

BOTTLE

Tank, Coolant Recovery, 5 qt

1шт.

26

A170241

RADIATOR CAP

15 psi

1шт.

27

A184524

SPACER

Fan, 80 mm

1шт.

28

L115548

CLAMP,57.15mm - 79.38mm

2.5" Worm

3шт.

29

L115549

CLAMP,69.85mm - 92.08mm

3.125" Worm

1шт.

30

86986822

SUPPORT

Dearation Tank

1шт.

31

87267486

GUARD

Fan

1шт.

32

87268056

SPACER

Nylon 18 x 8.3 x 3 mm

8шт.

33

217-132

90 ELBOW,90 Degree Elbow, 3/8" Hose Barb x 1/4" Male NPTF

1шт.

34

345-49

SEALANT

1шт.

Выбрано товаров: 38