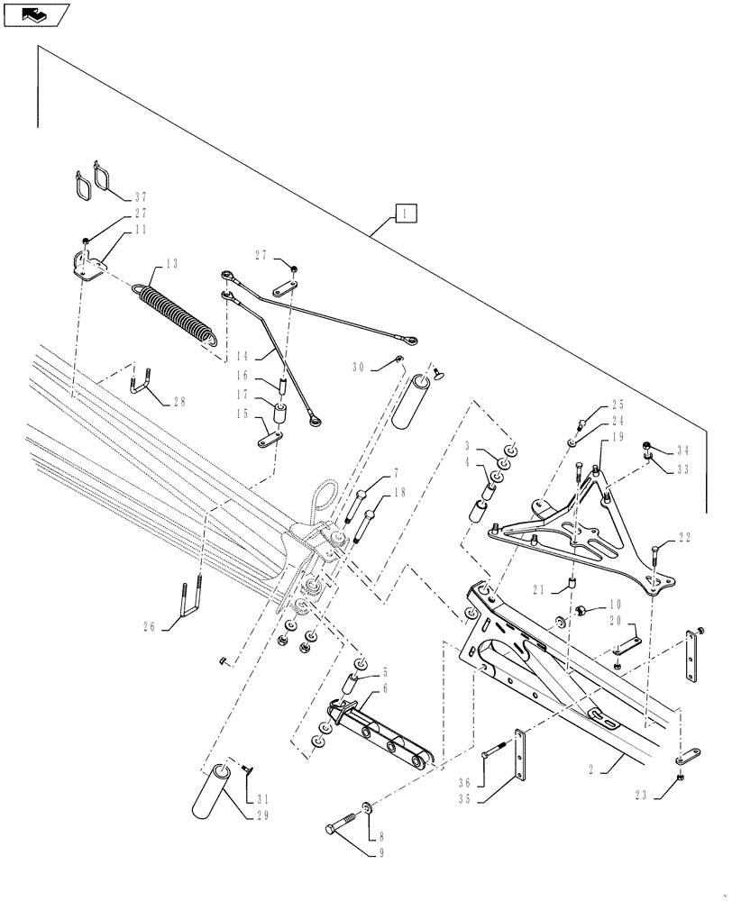
Запчасти Case IH 4420 (08-022) - BOOM BREAKAWAY ASSEMBLY, 100’ (09) - BOOMS

Схема запчастей Case IH 4420 - (08-022) - BOOM BREAKAWAY ASSEMBLY, 100’ (09) - BOOMS
1
16
7
home
20
37
34
8
6
35
31
18
27
22
23
30
4
26
29
28
21
36
9
24
2
33
11
17
27
10
25
14
15
5
19
3
13
FIT
1:1
100%

Артикул

Название

Примечание

Количество

1

87706766

KIT

Boom Break-A-Way Assembly, 100'

1шт.

Includes Refs. 2 - 37

1шт.

2

87686306

BOOM

Break-A-Way, 100'

1шт.

3

87272614

WASHER,17.5mm ID x 38.1mm OD x 3.18mm Thk

38 od x 17 x 3.2, Nylon

7шт.

4

87637173

BUSHING,16.14mm ID x 25.2mm OD x 53mm L

25 od x 16 id x 53 mm, Nylatron

1шт.

5

87272899

BUSHING,15.89mm ID x 25.21mm OD x 68mm L

25 od x 16 id x 68 long, Nylatron

1шт.

6

87272889

EXTENSION

Insert, Pivot

1шт.

7

84189224

BOLT

M16 X 110

1шт.

8

87310607

WASHER,17.5mm ID x 34mm OD x 5mm Thk

17.5 x 34 x 5 MM HDN DOR

8шт.

9

86980510

BOLT,Hex, M16 x 90mm, Cl 8.8

M16-2 x 90, HH, 8.8, DOR

3шт.

10

86980517

NUT,Hex, M16 - 2, Cl 8.8, DOR

5шт.

11

84217032

PLATE

SPRING

1шт.

13

BN305410

SPRING

1.67 X 0.283 X 12

1шт.

14

84201865

CABLE

Breakaway, 23"

2шт.

15

BN308039

PLATE

Spacer

3шт.

16

BN310055

BUSHING,9.78mm ID x 16mm OD x 49.28mm L

2шт.

17

87265981

ROLLER,31.75mm OD x 48mm L

1.25" OD x .64" ID x 1.88" Long, UHMW

2шт.

18

84189219

BOLT

M16 x 120

1шт.

19

87704989

ARM

Breakaway

1шт.

20

87620862

PLATE

Backer, 2 1/2" Tube

1шт.

21

87706359

BUSHING,11.4mm ID x 17.5mm OD x 24.8mm L

11.4 x 17.5 x 24.8 mm

2шт.

22

87341824

BOLT,Hex, M10 x 170mm, Cl 8.8

M10 x 55, 8.8, DOR

4шт.

23

86980515

NUT,Hex, M10 x 1.5, Cl 8.8, DOR

10шт.

24

87529312

WASHER,11mm ID x 24mm OD x 3mm Thk

1шт.

25

86980401

BOLT,Hex, M10 x 1.5 x 30mm, Cl 8.8, Full Thd

1шт.

26

BN305434

U-BOLT

BOLT "U" 3/8 x 2 x 4.5

1шт.

27

BN50759

LOCK NUT,3/8"-16, Nylon, Stainless

4шт.

28

BN68062

U-BOLT

BOLT "U" 3/8--SQ BND-2.06ID

1шт.

29

87706358

HOSE,38.10 mm ID

Bumper

2шт.

30

BN50057

LOCK NUT,Lock, 5/16"-18, Stainless Steel

4шт.

31

BN50779

BOLT,5/16"-18 X 1.00", EH, DOR

4шт.

33

86981496

WASHER,13.3mm ID x 24.5mm OD x 3mm Thk

2шт.

34

86980516

NUT,Prev Torque, Hex, M12, 1.75 Pitch, Cl 8, DOR

2шт.

35

87707554

BRACKET, SUPPORTING

Backer, Spraybar

4шт.

36

86980408

BOLT,Hex, M10 x 1.5 x 80mm, Cl 8.8

6шт.

37

BN570007

STRAP

Black, 14-1/2" Long

2шт.

Выбрано товаров: 36