Запчасти Case IH 4430 (39.130.05) - CENTER SECTION PIVOT CYLINDER GROUP, 90/100 BOOM (39) - FRAMES AND BALLASTING

Схема запчастей Case IH 4430 - (39.130.05) - CENTER SECTION PIVOT CYLINDER GROUP, 90/100 BOOM (39) - FRAMES AND BALLASTING
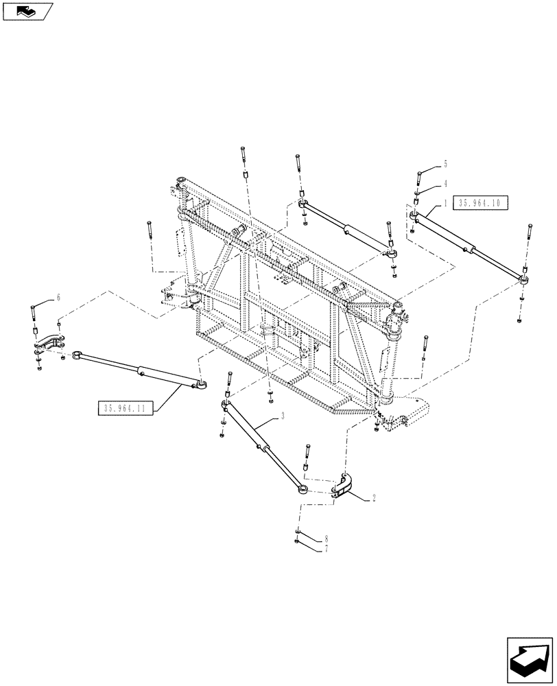
1
2
7
35.964.10
35.964.11
home
4
3
8
5
6
FIT
1:1
100%

Артикул

Название

Примечание

Количество

1

84188920

HYDRAULIC CYLINDER,Double Acting, 34.92mm Rod, 525.53mm Stroke

Inner Boom Fold, Front, 2.50 x 20.69 x 1.38

2шт.

See Fig 35.964.10 For Service Parts Breakdown

1шт.

1

84188920R

REMAN-HYD CYLINDER

4430 PATRIOT SPRAYER TIER 4, Inner Boom Fold, Front, 2.50 x 20.69 x 1.38, 90'/100' BOOM (9/11-)

2шт.

1

84188920C

CORE-HYD CYLINDER

Return Number

2шт.

2

87708068

ARM

Inner Breakaway

2шт.

3

87266460

CYLINDER,Double Acting, 34.92mm Rod, 549.4mm Stroke

Inner Boom Fold, Rear, 2.50 x 21.62 x 1.375

2шт.

See Fig 35.964.11 For Service Parts Breakdown

1шт.

87266460R

REMAN-HYD CYLINDER

4430 - PATRIOT SPRAYER TIER 4 (9/11-)

2шт.

87266460C

CORE-HYD CYLINDER

Return Number

1шт.

4

87529307

WASHER,22mm ID x 37mm OD x 4mm Thk

22 x 37 x 4 mm, HDN, DOR

2шт.

5

84532296

BOLT

M20 X 125 Shank, Cutoff

2шт.

6

BN310279

BOLT

M20 X 108 Shank, Cutoff

6шт.

7

86980518

NUT,Hex, M20 - 2.5, Cl 8.8, DOR

10шт.

8

87310608

WASHER,22mm ID x 44mm OD x 5mm Thk

22 x 44 x 5 mm, HDN, DOR

10шт.

9

87708067

BUSHING,20.63mm ID x 31.75mm OD x 101mm L

Pivot

2шт.

10

87341999

BOLT,Hex, M20 x 140mm, Cl 10.9

M20 X 140 10.9 DOR

2шт.

Выбрано товаров: 16