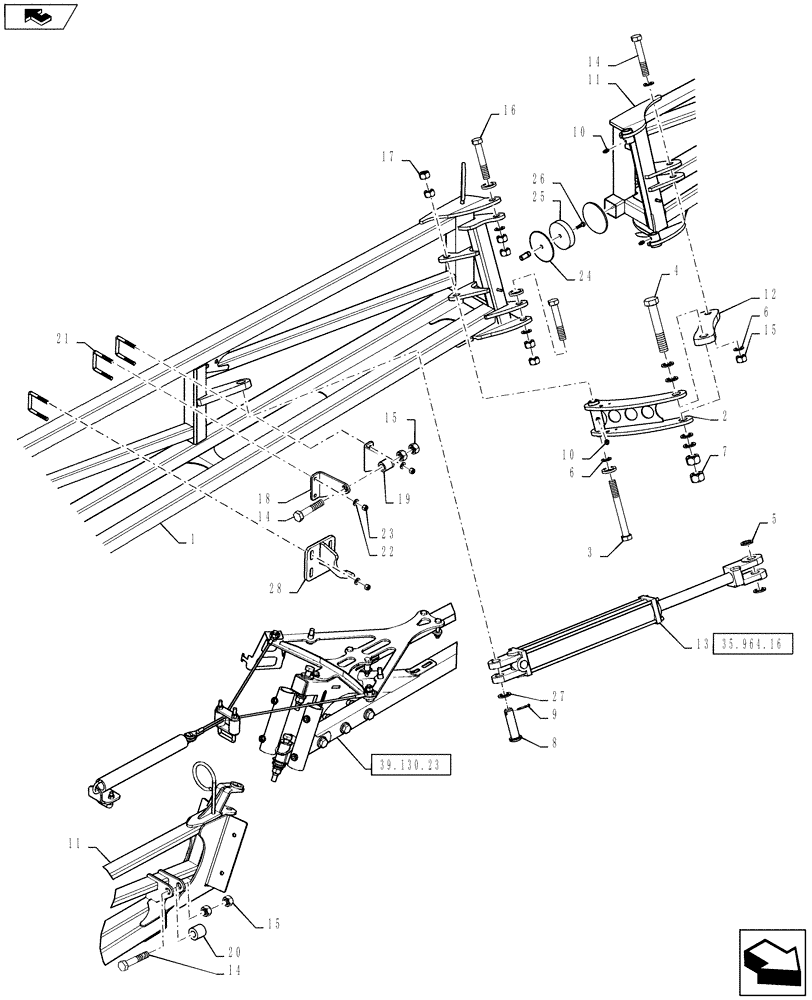
Запчасти Case IH 4430 (39.130.22) - BOOM MOUNTING, MID AND OUTER, LH, 120 BOOM (39) - FRAMES AND BALLASTING

Схема запчастей Case IH 4430 - (39.130.22) - BOOM MOUNTING, MID AND OUTER, LH, 120 BOOM (39) - FRAMES AND BALLASTING
17
14
35.964.16
1
6
15
10
24
14
11
14
11
15
20
19
25
22
28
home
10
9
7
18
16
5
8
23
3
27
12
6
21
39.130.23
13
26
2
4
15
FIT
1:1
100%

Артикул

Название

Примечание

Количество

1

84305028

BOOM

Middle, LH, 120'

1шт.

2

84126409

ARM

Double

1шт.

3

87564718

BOLT

3/4-10 X 3-3/4, GR8, DOR

1шт.

4

87698751

BOLT

3/4-10 X 7, GR 5 DOR

1шт.

5

87564721

WASHER,1.02" ID x 1.5" OD x 0.12" Thk

1.016 X 1.50 X .134, CST, DOR

4шт.

6

87564720

WASHER,0.78" ID x 1.25" OD x 0.07" Thk

8шт.

7

87343673

NUT

1.000-8 GR8

1шт.

8

87735776

PIN,25.4mm OD x 111.5mm L

1" x 3.6"

1шт.

9

87399

COTTER PIN,1/2 x 3 Bolt

1шт.

10

219-8

LUBE NIPPLE,1/4" - 28 NPTF

3шт.

11

87527651

BOOM

Outer, RH, 120'

1шт.

12

84126408

ARM

Single

1шт.

13

87505171

HYDRAULIC CYLINDER,31.75mm Rod, 406.4mm Stroke

Outer Boom Fold, 2-1/2" x 16", 1-1/4" rod, 120' Boom

1шт.

See Fig 35.964.16 For Service Parts Breakdown

1шт.

14

87342942

BOLT

3/4-10 X 3-3/4, GR8, DOR

3шт.

15

87310317

NUT

3/4-10, GR 8, DOR

10шт.

16

87698750

BOLT

3/4-10 X 4-1/2, GR8, DOR

2шт.

17

87343671

NUT

3/4-10, GR 5, DOR

2шт.

18

84387718

MOUNT

Inner Roller, RH

1шт.

19

84387712

MOUNT

Inner Roller, LH

1шт.

20

87503700

ROLLER

19.45mm ID x 38.1mm OD x 36mm Long

2шт.

21

BN319919

U-BOLT

2.06 ID x 2-3/4 x 3/8

4шт.

22

87529298

WASHER,11mm ID x 21mm OD x 2mm Thk

11 x 21 x 2 mm, CST, DOR

8шт.

23

87343974

NUT,Prev Torque, 3/8" - 16, Gr C, DOR

8шт.

24

87501591

WASHER,10.3mm ID x 101.6mm OD x 2.08mm Thk

10mm x 102mm x 1.9 mm

3шт.

25

87501590

BUMPER

Poly, 89mm OD x 19MM Thick

1шт.

26

86980380

BOLT,Hex, M8 x 1.25 x 25mm, Cl 8.8, Full Thd

1шт.

27

87529235

WASHER,1.06" ID x 2" OD x 0.21" Thk

1.0625 x 2 x 0.209, HTS, DOR

1шт.

28

84192693

CRADLE

Outer Boom

1шт.

Выбрано товаров: 29