Запчасти Case IH 4430 (40.902.15) - CHEMICAL INDUCTOR GROUP (40 ) - PLUMBING

Схема запчастей Case IH 4430 - (40.902.15) - CHEMICAL INDUCTOR GROUP (40 ) - PLUMBING
8
10
5
6
14
4
6
13
1
40.902.16
8
home
9
3
7
40.902.18
40.902.19
7
12
2
11
FIT
1:1
100%

Артикул

Название

Примечание

Количество

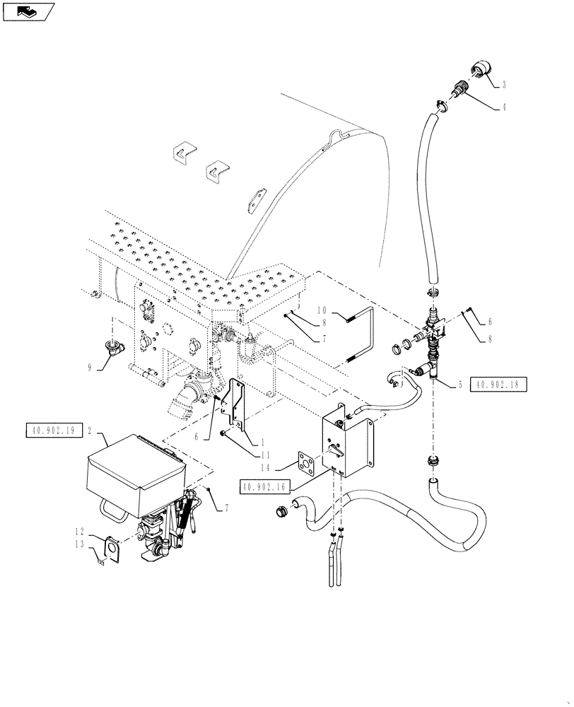
1

342643A1

MOUNTING PLATE

Chemical Inductor

1шт.

2

BN324763

TANK

Chemical Inductor Tank Group, With Linkage

1шт.

See Fig 40.902.19 For Service Parts Breakdown

1шт.

3

BN73793

ELBOW,45 Degree Elbow, 2" Female NPT x 2" Female NPT, Poly

45 Deg, 2" NPT, Poly

1шт.

4

BN305163

FITTING,2" - 11-1/2 Male NPT x 1-1/2" Hose Barb, Poly

2" NPT x 1-1/2" Hose Barb

1шт.

5

BN324807

SERVICE KIT

Inductor Check Tee Group

1шт.

See Fig 40.902.18 For Service Parts Breakdown

1шт.

6

BN50254

BOLT,3/8"-16 x 1", Stainless

5шт.

7

BN50759

LOCK NUT,3/8"-16, Nylon, Stainless

5шт.

8

BN50146

WASHER,3/8", Stainless

2шт.

9

BN304321

FITTING,2" Flange x 1-1/2" 90 Degree Hose Barb Elbow

2" Flange x 1 1/2" Hose Barb, Poly

1шт.

10

BN325918

U-BOLT

M16 X 256 ID X 187 IL

1шт.

11

86980517

NUT,Hex, M16 - 2, Cl 8.8, DOR

2шт.

12

BN320997

BRACKET

Decal Mount, Stainless Steel

1шт.

13

343187A1

DECAL

Chemical Inductor

1шт.

14

344403A1

DECAL

Chemical Inductor/Tank Rinse Valve

1шт.

Выбрано товаров: 16