Запчасти Case IH 4430 (48.110.01) - STRUT ASSEMBLY (48) - TRACKS & TRACK SUSPENSION

Схема запчастей Case IH 4430 - (48.110.01) - STRUT ASSEMBLY (48) - TRACKS & TRACK SUSPENSION
11
25
21
23
19
13
1
8
5
10
21
14
2
6
16
home
24
7
3
17
4
12
15
22
26
20
9
18
FIT
1:1
100%

Артикул

Название

Примечание

Количество

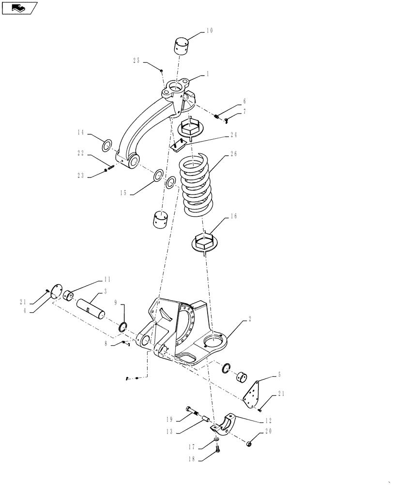
1

86986252

ARM

Suspension, Upper, RH

1шт.

1

86986254

ARM

Suspension, Upper, LH, Not Shown

1шт.

2

BN300992

HOUSING

Trailing Link, RH

1шт.

2

BN300991

HOUSING

Trailing Link, LH, Not Shown

1шт.

3

BN302046

SHAFT

Lower, Strut

1шт.

4

BN302045

CAP

1шт.

5

86986092

DUST CAP

Suspension

1шт.

6

BN302051

NIPPLE, LUBE,M8 x 1, Straight

NIPPLE 8 mm x 1 Straight

3шт.

7

BN69951

CAP

Cap, Grease

4шт.

8

713608R91

LUBE NIPPLE,90 Degree, M8 x 1

1шт.

9

BN302044

SEAL,63.5mm ID x 76.2mm OD x 6.35mm Thk

Lower

2шт.

10

87689147

NYLON BEARING,90.65mm ID x 95.35mm OD x 90mm L

SLEEVE, GSM BLUE

2шт.

11

87552137

BEARING COVER

Sleeve, Lower

2шт.

12

BN302031

MOUNTING PARTS

Shock, Lower

1шт.

13

87269215

SPACER

Shock, Suspension

1шт.

14

BN302048

SHIM,64.01mm ID x 98.55mm OD x 2.55mm Thk

3.88" od x 2.52 id x 14 GA

1шт.

15

BN302047

SHIM,64mm ID x 98.3mm OD x 1.44mm Thk

Machine Bushing, Wide, 3.87" OD x 2.52" ID x 18 GA

2шт.

16

84395510

MOUNT

Adaptor, Spring

2шт.

17

87310607

WASHER,17.5mm ID x 34mm OD x 5mm Thk

17.5 x 34 x 5 mm, HDN, DOR

2шт.

18

86980444

BOLT,Hex, M16 - 2 x 40mm, Cl 8.8, DOR

2шт.

19

87269216

BOLT

Shock, M20 - 2.5 DOR

1шт.

20

86980518

NUT,Hex, M20 - 2.5, Cl 8.8, DOR

1шт.

21

86980379

BOLT,Hex, M8 x 1.25 x 20mm, Cl 8.8

8шт.

22

BN321041

SET SCREW

M12 x 55 Cup ZN

1шт.

23

87344035

NUT

Jam M12 CL5 DOR

1шт.

24

BN306889

BUMPER

Jounce, 2.5 X 4.5 X 1.5

1шт.

25

BN50759

LOCK NUT,3/8"-16, Nylon, Stainless

2шт.

26

84380018

COIL SPRING

Suspension

1шт.

Выбрано товаров: 28