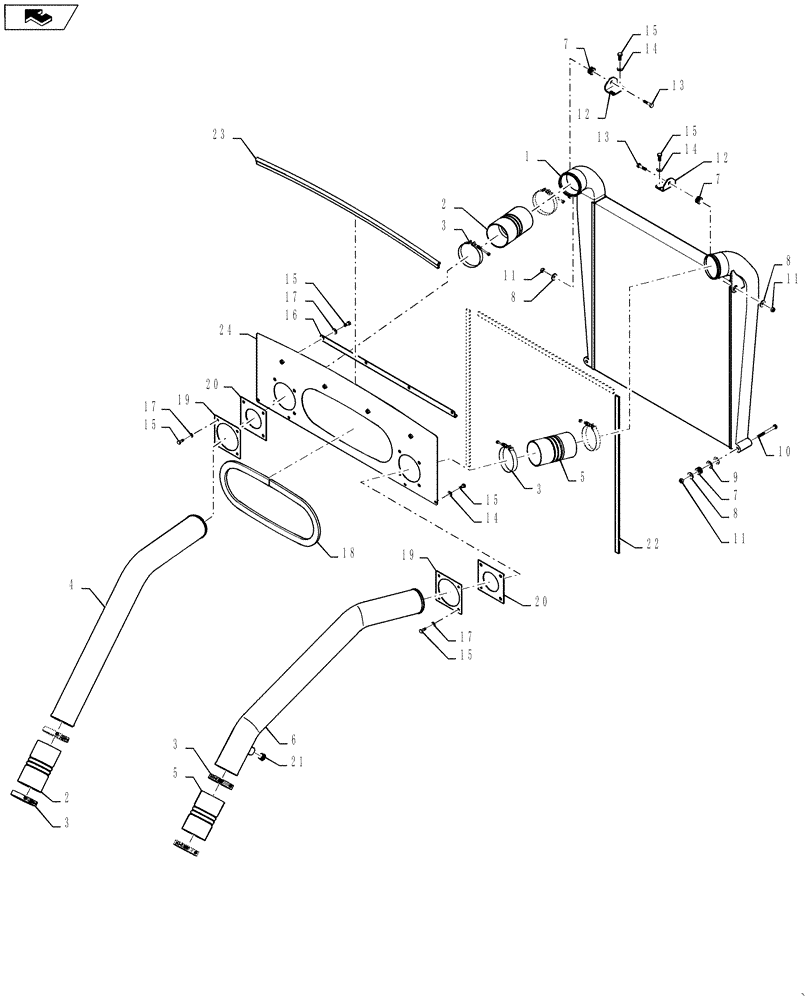
Запчасти Case IH 4430 (10.202.01[02]) - AFTERCOOLER ASSEMBLY, YCT0 AND AFTER (10) - ENGINE

Схема запчастей Case IH 4430 - (10.202.01[02]) - AFTERCOOLER ASSEMBLY, YCT0 AND AFTER (10) - ENGINE
15
10
11
15
2
3
14
12
12
21
17
8
8
16
19
17
5
4
15
20
13
14
19
5
1
7
3
17
11
14
9
15
2
home
15
6
23
3
24
7
13
20
18
22
11
3
15
7
8
FIT
1:1
100%

Артикул

Название

Примечание

Количество

1

437398A1

AFTERCOOLER

Charge Air

1шт.

2

251400A1

BELLOWS

CAC

2шт.

3

349360A1

CLAMP

Spring Hose Clamp

8шт.

4

84237550

TUBE

CAC Hot

1шт.

5

87306140

BELLOWS

CAC

2шт.

6

84294020

AIR INTAKE TUBE

CAC Cool

1шт.

7

434177A1

ISOLATOR

Center Bonded

4шт.

8

87529239

WASHER,0.41" ID x 1.12" OD x 0.13" Thk

.406 X 1.125 X .134 In, HDN, DOR

4шт.

9

BN50179

WASHER

CAC Mount

4шт.

10

86980410

BOLT,Hex, M10 x 100mm, Cl 8.8

M10 X 100 CL8.8, DOR

2шт.

11

86980515

NUT,Hex, M10 x 1.5, Cl 8.8, DOR

4шт.

12

84252508

MOUNT

CAC

2шт.

13

86980403

BOLT,Hex, M10 x 1.5 x 40mm, Cl 8.8, Full Thd

2шт.

14

87529316

WASHER,9mm ID x 21mm OD x 2.5mm Thk

8шт.

15

86980379

BOLT,Hex, M8 x 1.25 x 20mm, Cl 8.8

20шт.

16

47372126

BAFFLE

CAC Tubes

1шт.

17

84255669

RUBBER SEAL

Baffle

1шт.

18

BN29710

WEATHERSTRIP

Bulk, Cut to 31 1/2"

3шт.

19

217-441

PLUG,Hex Soc, 3/4" - 14 NPTF

1шт.

20

47371685

SEAL

Charge Air Tubes

2шт.

21

47371747

MOUNT

CAC Tube Seal

2шт.

22

47372956

SEAL

Air Intake Duct Foam

1шт.

23

84365547

WASHER,8.4mm ID x 16mm OD x 2mm Thk

8.4mm X 16mm X 2mm, CST, DOR

12шт.

24

47390494

SUPPORT

Air Intake Baffle

1шт.

Выбрано товаров: 24