Запчасти Case IH 4430 (55.911.05[02]) - AUTOGUIDANCE FRAME GROUP, SN AND AFTER (Apr 27 2012 12:11:00.5143 PM) (55) - ELECTRICAL SYSTEMS

Схема запчастей Case IH 4430 - (55.911.05[02]) - AUTOGUIDANCE FRAME GROUP, SN AND AFTER (Apr 27 2012 12:11:00.5143 PM) (55) - ELECTRICAL SYSTEMS
5
7
9
4
8
3
7
home
55.100.48
2
6
1
FIT
1:1
100%

Артикул

Название

Примечание

Количество

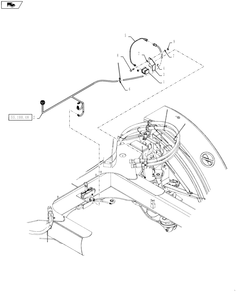
1

87743199

MODULE

Trimble Autosense, Steering Angle Sensor

1шт.

2

84161537

WIRE HARNESS

Autoguidence Frame Harness

1шт.

See Fig 55.100.48 For Service Parts Breakdown

1шт.

3

47365834

MOUNT

Autosense Steering Angle Sensor

1шт.

4

87657976

HEX SOC SCREW,Flat Hd, CSK, #6 - 32 x 3/8"

6-32 X .375

4шт.

5

87743200

HARNESS

Jumper, 24", Autosense Steering Angle Sensor to Autoguidence Frame Harness

1шт.

6

BN570007

STRAP

Black Only .12-4.0 Band

5шт.

7

86981496

WASHER,13.3mm ID x 24.5mm OD x 3mm Thk

4шт.

8

86980424

BOLT,Hex, M12 x 1.75 x 45, Cl 8.8, DOR

2шт.

9

86980516

NUT,Prev Torque, Hex, M12, 1.75 Pitch, Cl 8, DOR

2шт.

Выбрано товаров: 10