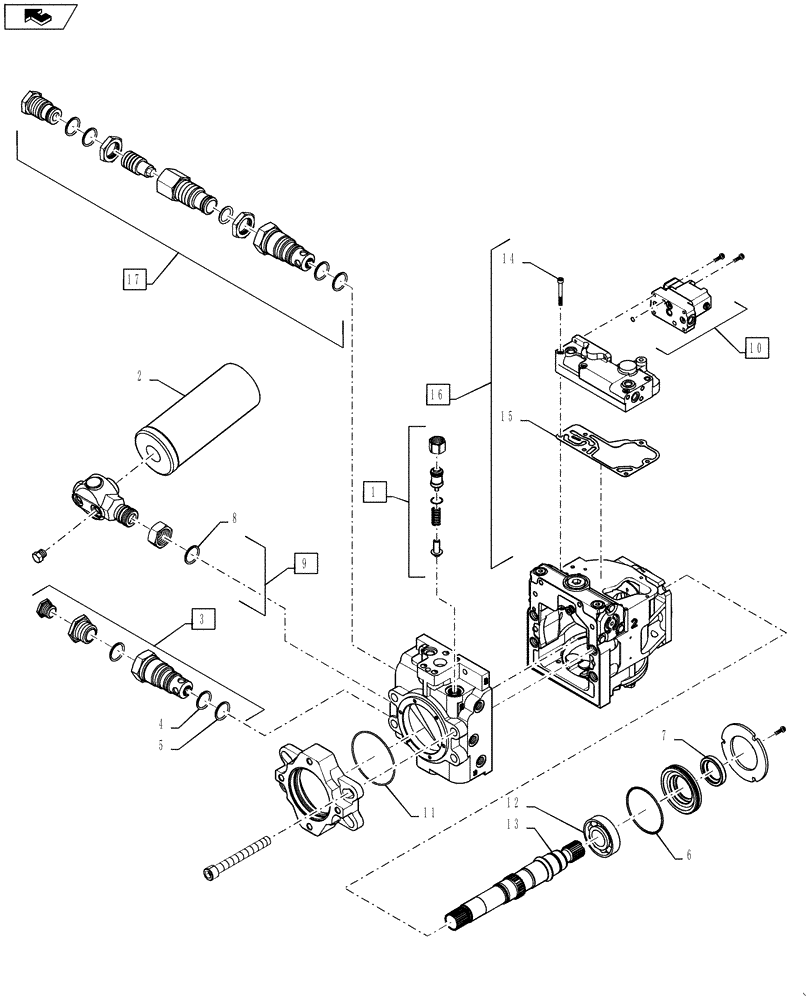
Запчасти Case IH 4430 (29.212.02) - RH HYDROSTATIC PUMP BREAKDOWN (29) - HYDROSTATIC DRIVE

Схема запчастей Case IH 4430 - (29.212.02) - RH HYDROSTATIC PUMP BREAKDOWN (29) - HYDROSTATIC DRIVE
5
8
1
15
home
16
13
6
10
3
2
17
14
4
7
12
9
11
FIT
1:1
100%

Артикул

Название

Примечание

Количество

84408213

HYDROSTATIC PUMP

RH, 90 Series, With 13 Tooth Coupler For Rear Mounted Pump

1шт.

84408213R

REMAN-HYD PUMP

4430 90 Series TIER 4 (9/11-)

1шт.

84408213C

CORE-HYDRAULIC PUMP

Return Number

1шт.

1

BN300952

KIT

Charge Relief

1шт.

2

N14232

FILTER

Element, Spin On

1шт.

3

BN65540

VALVE

Multi-Function Valve, Inlcudes Ref 4 and 5

1шт.

4

BN65541

O-RING

Multi-Function Valve, Upper

2шт.

5

BN65542

O-RING

Multi-Function Valve, Lower

2шт.

6

BN65544

O-RING

Shaft, 75 CC

1шт.

7

BN65546

SEAL

Lip, Shaft 75 CC

1шт.

8

BN68470

O-RING

Filter Head

1шт.

9

BN69597

FILTER HEAD

Does Not Include Filter Element

1шт.

10

87575874

CONTROL

EDC, Includes Sealing Orings

1шт.

86629543

O-RING,0.07" Thk x 0.364" ID, -12, Cl 5, 75 Duro

Service Oring For Ref 10

3шт.

14453080

O-RING,0.426" ID x 0.07"

Service Oring For Ref 10

1шт.

11

70934882

O-RING,0.103" Thk x 4.737" ID, -158, Cl 7, 75 Duro

4-3/4" ID x 3/32" Thick, Class 7, Rear Mount Seal

1шт.

12

BN312706

BEARING, ROLLER,40mm ID x 90mm OD x 23mm W

Shaft

1шт.

13

BN312707

SHAFT

14T

1шт.

14

87575875

SCREW

EDC

6шт.

15

87607504

GASKET

EDC

1шт.

16

87495196

SERVICE KIT

Pump EDC, Includes Ref 10, 14 and 15

1шт.

17

84530460

VALVE

Multi-Functional Dual Setting Pressure Limiter

1шт.

Выбрано товаров: 22