Запчасти Case IH PATRIOT 2250 (55.302.AI[01]) - BATTERY BOX FUSE BOX, AND DISCONNECT (55) - ELECTRICAL SYSTEMS

Схема запчастей Case IH PATRIOT 2250 - (55.302.AI[01]) - BATTERY BOX FUSE BOX, AND DISCONNECT (55) - ELECTRICAL SYSTEMS
55.302.av 01
2
3
15
21
11
1
12
6
13
9
4
12
20
19
17
7
8
18
16
15
12
10
14
5
55.302.av 01
FIT
1:1
100%

Артикул

Название

Примечание

Количество

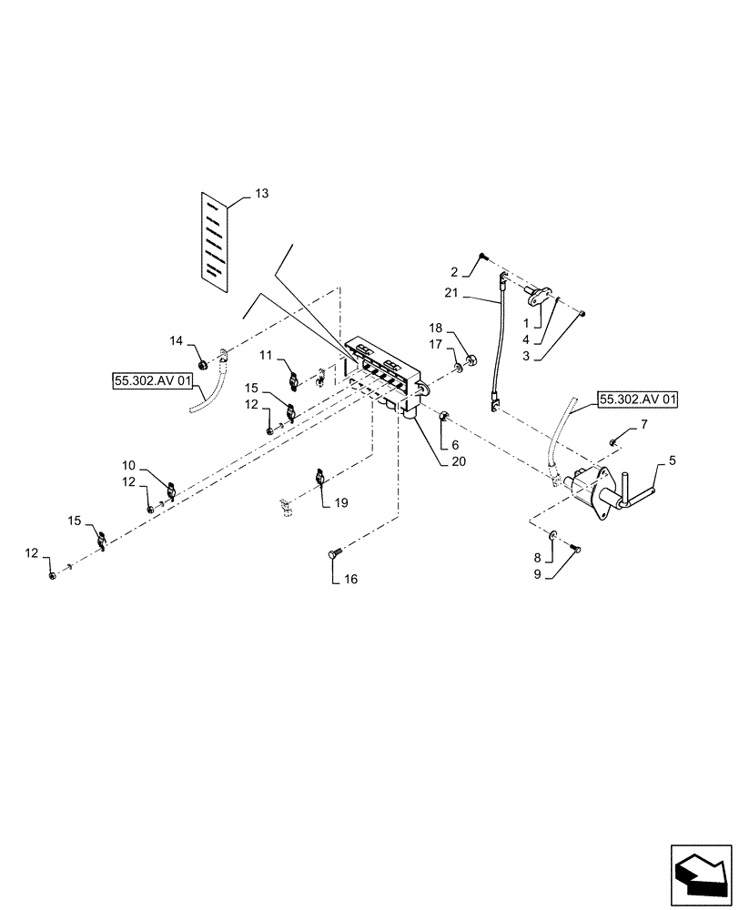
1

20-1451T1

BLOCK

Junction

1шт.

2

87343600

SCREW,Phil Pan Hd, M5 x 16mm, Cl 4.8, Full Thd

DOR

2шт.

3

87344030

NUT,Prevailing Torque, M5 x 0.8, CL 8, DOR

2шт.

4

87529301

WASHER,5.6mm ID x 10mm OD x 1mm Thk

DOR

13шт.

5

47493762

BATTERY CUT-OUT

Battery Disconnect

1шт.

6

87344209

NUT,M10 x 1.5, Cl 10, DOR

2шт.

7

86980513

NUT,Prev Torque, Hex, M6, 1mm Pitch, Cl 8, DOR

2шт.

8

87529302

WASHER,6.6mm ID x 18mm OD x 1.6mm Thk

DOR

2шт.

9

86980359

BOLT,Hex, M6 x 1 x 16mm, Cl 8.8

DOR

2шт.

10

84078783

FUSE,80A, Midival

80 Amp

1шт.

11

84330274

FUSE,125A

125 Amp

2шт.

12

84401337

NUT

M5, DOR

11шт.

13

84371137

DECAL

Fuse Layout

1шт.

14

86981461

FLANGE NUT,M8 x 1.25, Cl 8

DOR

1шт.

15

84174070

FUSE,30A, Orange

3шт.

16

86980379

BOLT,Hex, M8 x 1.25 x 20mm, Cl 8.8

DOR

2шт.

17

87529316

WASHER,9mm ID x 21mm OD x 2.5mm Thk

DOR

2шт.

18

86980514

LOCK NUT,Hex, M8, Cl 8, DOR

2шт.

19

87548130

FUSE,60A, Midival

1шт.

20

84206083

FUSE BOX

6 Way

1шт.

21

84363188

NEG BATTERY CABLE

Disconnect Switch to Junction Block

1шт.

Выбрано товаров: 21