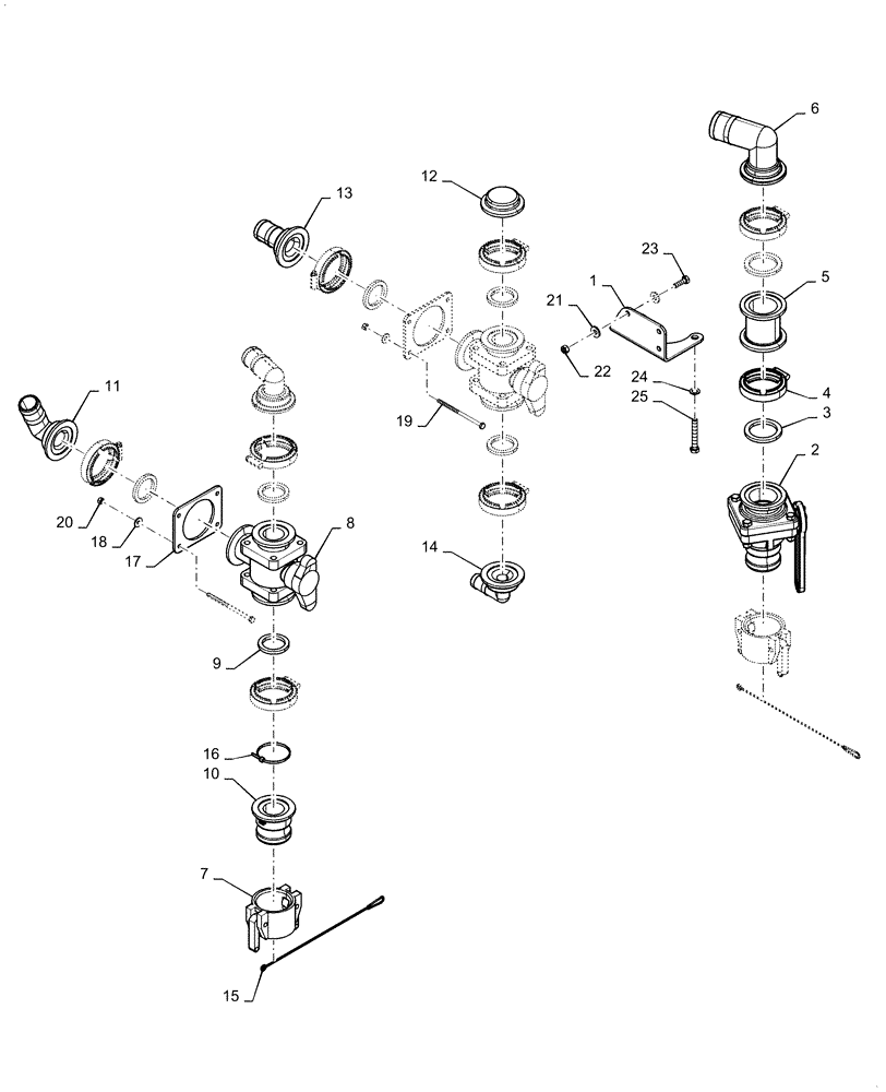
Запчасти Case IH PATRIOT 2250 (78.110.AC[01]) - PRODUCT FILL STATION, 2" PLUMBING (78) - SPRAYING

Схема запчастей Case IH PATRIOT 2250 - (78.110.AC[01]) - PRODUCT FILL STATION, 2" PLUMBING (78) - SPRAYING
12
8
20
13
10
9
6
7
19
5
4
11
24
14
17
2
21
16
15
23
18
3
25
22
1
FIT
1:1
100%

Артикул

Название

Примечание

Количество

1

47727120

MOUNT

Valve

1шт.

2

47421495

VALVE,2" FP Flange x 2" Male Adapter

Stubby

1шт.

3

BN313772

GASKET,2" Full Port, EPDM

Valve, Serial Range: -YGT042518

2шт.

3

47888706

GASKET,56mm ID x 83mm OD 5mm Thk

2.2", Flange, EPDM, Start Serial: YGT042519

2шт.

4

BN303199

CLAMP,2" Flange

8шт.

5

BN325292

COUPLING

Straight

1шт.

6

BN324065

FITTING,2" Full Port Flange x 2" 90 Degree Hose Barb Elbow

Fitting

1шт.

7

BN22901

DUST CAP,2" Cam Lever Dust Cap

Cap

2шт.

8

BN324998

VALVE

2" Flange

2шт.

9

BN303204

GASKET,1-1/2" EPDM Gasket

, Serial Range: -YGT042518

6шт.

9

47888705

GASKET

3" Flange, Start Serial: YGT042519

6шт.

10

47828304

ADAPTER,2" Flange x 2" Male Adapter

Cam

1шт.

11

BN304321

FITTING,2" Flange x 1-1/2" 90 Degree Hose Barb Elbow

90°

2шт.

12

BN304317

PLUG,2" Flange, Poly

1шт.

13

BN306901

FITTING,2" Flange x 1-1/2" Hose Barb, Poly

Straight

1шт.

14

BN322003

FITTING,2" Flange x 1" 90 Degree Hose Barb Elbow

Barb

1шт.

15

416624A1

ROPE

Landyard Nylon

2шт.

16

22-824

CABLE TIE,3/16" x 7 1/4"

Strap

1шт.

17

87272712

FIXING PLATE

Securing

2шт.

18

87529302

WASHER,6.6mm ID x 18mm OD x 1.6mm Thk

16шт.

19

86980371

BOLT,Hex, M6 x 110mm, Cl 8.8

8шт.

20

86980513

NUT,Prev Torque, Hex, M6, 1mm Pitch, Cl 8, DOR

8шт.

21

87529316

WASHER,9mm ID x 21mm OD x 2.5mm Thk

6шт.

22

86980514

LOCK NUT,Hex, M8, Cl 8, DOR

3шт.

23

86980380

BOLT,Hex, M8 x 1.25 x 25mm, Cl 8.8, Full Thd

3шт.

24

86981495

WASHER,10.5mm ID x 18mm OD x 1.6mm Thk

3шт.

25

BN50948

BOLT,Hex, 3/8" - 16 x 2 1/2", Stainless

3шт.

Выбрано товаров: 27