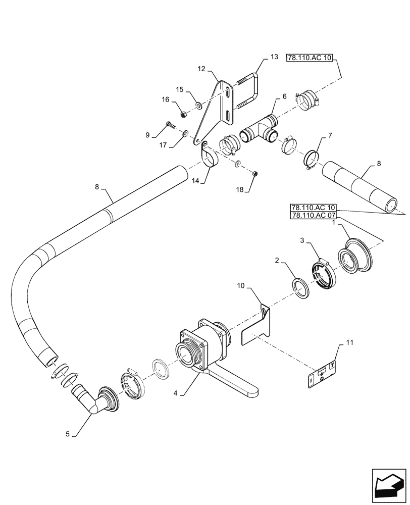
Запчасти Case IH PATRIOT 2250 (78.110.AC[06]) - SUCTION FILL, 3" PLUMBING (78) - SPRAYING

Схема запчастей Case IH PATRIOT 2250 - (78.110.AC[06]) - SUCTION FILL, 3" PLUMBING (78) - SPRAYING
78.110.ac 07
1
16
12
8
10
9
14
11
18
13
4
3
8
2
7
17
15
6
5
78.110.ac 10
78.110.ac 10
FIT
1:1
100%

Артикул

Название

Примечание

Количество

1

BN321072

REDUCER,3" Flange x 2" Full Port Flange, Poly

1шт.

2

BN313772

GASKET,2" Full Port, EPDM

2шт.

3

BN313773

CLAMP,2" Full Port

2шт.

4

BN324057

VALVE,2" Full Port Flange x 2" Full Port Flange

1шт.

5

BN322505

FITTING,M220 FP Flanged Hosebarb

1шт.

6

BN2402038

TEE

1-1/2" HB

1шт.

7

BN310448

HOSE CLAMP

#28, SST

8шт.

8

BN53621

HOSE,1.50" ID BULK

EPDM, Suction, Cut to Required Length

1шт.

9

86980380

BOLT,Hex, M8 x 1.25 x 25mm, Cl 8.8, Full Thd

DOR

1шт.

10

47527172

MOUNT

Decal

1шт.

11

47827909

DECAL

Suction Fill

1шт.

12

47878026

MOUNT

Quick Fill

1шт.

13

84307994

U-BOLT

M10 x 1.5

1шт.

14

515-23508

CLAMP,2", Insul, 3/8" Bolt

1шт.

15

87529312

WASHER,11mm ID x 24mm OD x 3mm Thk

DOR

2шт.

16

86980515

NUT,Hex, M10 x 1.5, Cl 8.8, DOR

2шт.

17

87529316

WASHER,9mm ID x 21mm OD x 2.5mm Thk

DOR

2шт.

18

86980514

LOCK NUT,Hex, M8, Cl 8, DOR

1шт.

Выбрано товаров: 18