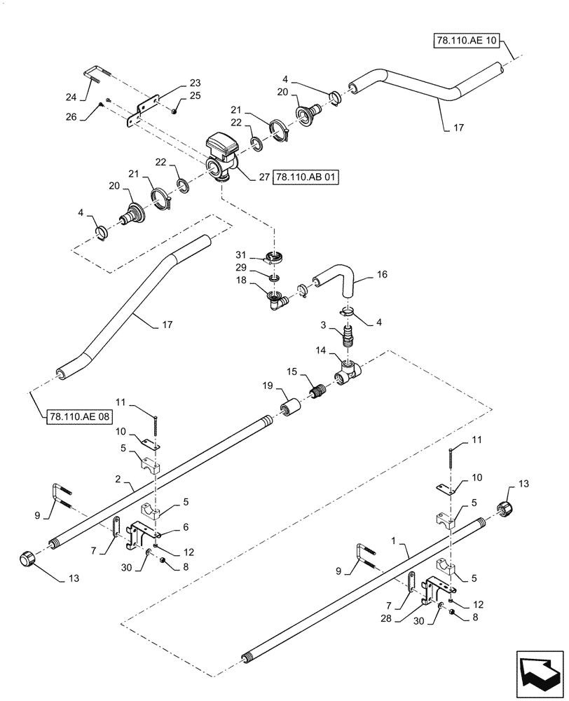
Запчасти Case IH PATRIOT 2250 (78.110.AE[09]) - BOOM PLUMBING, RH, INNER, 20"/30" NOZZLE SPACING, 5 SECTION, 80 BSN YGT042519 (78) - SPRAYING

Схема запчастей Case IH PATRIOT 2250 - (78.110.AE[09]) - BOOM PLUMBING, RH, INNER, 20"/30" NOZZLE SPACING, 5 SECTION, 80 BSN YGT042519 (78) - SPRAYING
78.110.ab 01
13
1
29
2
5
4
5
11
5
27
9
21
31
12
9
22
11
17
6
30
20
13
22
8
12
30
4
20
19
3
26
4
7
17
16
18
21
23
14
7
8
10
10
15
5
78.110.ae 08
78.110.ae 10
24
28
25
FIT
1:1
100%

Артикул

Название

Примечание

Количество

1

84343155

PIPE

Spraybar, 13 Hole, 20"/30" Spacing, 15' - 4 3/8" Long, 1" SCH 80, Poly

1шт.

2

84343154

PIPE

Spraybar, 7 Hole, 20"/30" Spacing, 8' - 9 5/8"Long,1" SCH 80, Poly

1шт.

3

BN53476

FITTING,1" Male NPT x 1" Hose Barb, Poly

1шт.

4

BN75990

HOSE CLAMP

#16, SST

4шт.

5

BN67054

CLAMP

Incudes Top and Bottom Halves

14шт.

6

47614874

MOUNT

Spraybar

14шт.

7

BN308039

PLATE

Spacer

14шт.

8

86980515

NUT,Hex, M10 x 1.5, Cl 8.8, DOR

28шт.

9

47650282

U-BOLT

M10, 3 3/16" x 2 3/8"

14шт.

10

BN309483

PLATE

Cover

14шт.

11

86980369

BOLT,Hex, M6 x 80, Cl 8.8

DOR

28шт.

12

86980513

NUT,Prev Torque, Hex, M6, 1mm Pitch, Cl 8, DOR

28шт.

13

BN73606

CAP

1", Poly

2шт.

14

BN73629

TEE

1" FPT, Poly

1шт.

15

BN73648

NIPPLE

1", Short, Poly

1шт.

16

BN53479

HOSE,1.00" ID BULK

EPDM

1шт.

17

BN29563

HOSE

Bulk, 1 1/4", EPDM

1шт.

18

BN303194

ELBOW,90 Degree Elbow, 1" Flange x 1" Hose Barb, Poly

1шт.

19

BN66968

COUPLING

1"

1шт.

20

BN306900

FITTING,2" Flange x 1-1/4" Hose Barb, Poly

3шт.

21

BN303199

CLAMP,2" Flange

2шт.

22

BN303204

GASKET,1-1/2" EPDM Gasket

2" Flange, EPDM

2шт.

23

84385241

MOUNT

Valve

1шт.

24

BN319919

U-BOLT

3/8"

1шт.

25

BN50759

LOCK NUT,3/8"-16, Nylon, Stainless

2шт.

26

BN50697

BOLT,Hex, 1/4" - 20 x 1/2", SST

2шт.

27

87632830

SHUT-OFF VALVE

2" Flange

1шт.

See 78.110.AB 01 For Service Parts

1шт.

28

47614661

MOUNT

Spraybar, Outer, without Slot

1шт.

29

BN303205

GASKET

1" Flange

1шт.

30

87529312

WASHER,11mm ID x 24mm OD x 3mm Thk

28шт.

31

BN303203

CLAMP,1" Flange

1" Flange

1шт.

Выбрано товаров: 32