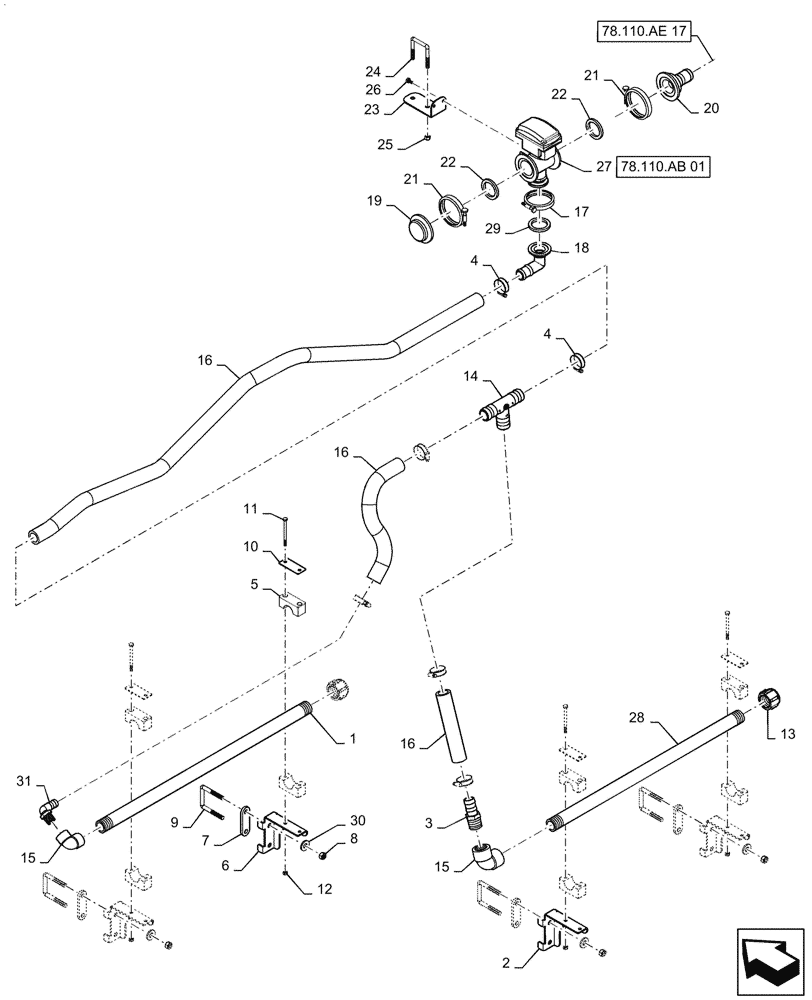
Запчасти Case IH PATRIOT 2250 (78.110.AE[16]) - BOOM PLUMBING, LH, OUTER, 20" NOZZLE SPACING, 5 SECTION, 90, BSN YGT042519 (78) - SPRAYING

Схема запчастей Case IH PATRIOT 2250 - (78.110.AE[16]) - BOOM PLUMBING, LH, OUTER, 20" NOZZLE SPACING, 5 SECTION, 90, BSN YGT042519 (78) - SPRAYING
78.110.ab 01
22
26
15
10
25
20
4
5
24
17
27
31
13
16
11
15
2
21
14
30
21
7
18
16
12
9
3
8
29
16
23
4
19
6
28
22
1
78.110.ae 17
FIT
1:1
100%

Артикул

Название

Примечание

Количество

1

87452548

PIPE

Spraybar, 3 Hole, 20" Spacing, 46" Long, SCH 80, Poly

1шт.

2

47614661

MOUNT

Spraybar, Outer

2шт.

3

BN53476

FITTING,1" Male NPT x 1" Hose Barb, Poly

1шт.

4

BN75990

HOSE CLAMP

#16, SST

6шт.

5

BN67054

CLAMP

Includes Top and Bottom Halves

4шт.

6

84343258

MOUNT

Spraybar, Breakaway

2шт.

7

47654165

SPACER

4шт.

8

86980515

NUT,Hex, M10 x 1.5, Cl 8.8, DOR

8шт.

9

47650282

U-BOLT

M10, 2 3/8" x 3 1/4"

8шт.

10

BN309483

PLATE

Cover

4шт.

11

86980369

BOLT,Hex, M6 x 80, Cl 8.8

DOR

16шт.

12

86980513

NUT,Prev Torque, Hex, M6, 1mm Pitch, Cl 8, DOR

16шт.

13

BN73606

CAP

1", Poly

2шт.

14

47767363

FITTING,1" x 1" x 3/4" Hose Barb Tee

1", Tee

1шт.

15

BN73742

ELBOW

1" FPT, Poly

1шт.

16

BN53479

HOSE,1.00" ID BULK

Cut to Required Length

1шт.

17

BN303203

CLAMP,1" Flange

1" Flange

1шт.

18

BN303194

ELBOW,90 Degree Elbow, 1" Flange x 1" Hose Barb, Poly

1шт.

19

BN304317

PLUG,2" Flange, Poly

1шт.

20

BN306900

FITTING,2" Flange x 1-1/4" Hose Barb, Poly

1шт.

21

BN303199

CLAMP,2" Flange

2шт.

22

BN303204

GASKET,1-1/2" EPDM Gasket

2" Flange, EPDM

2шт.

23

87270047

MOUNT

Boom Valve

1шт.

24

BN319919

U-BOLT

3/8"

1шт.

25

BN50759

LOCK NUT,3/8"-16, Nylon, Stainless

2шт.

26

BN50697

BOLT,Hex, 1/4" - 20 x 1/2", SST

2шт.

27

87632830

SHUT-OFF VALVE

2" Flange, Complete

1шт.

See 78.110.AB 01 For Service Parts

1шт.

28

87452551

PIPE

Spraybar, 6 Hole, 20" Spacing, 9' - 2 1/2" Long, SCH 80, Poly

1шт.

29

BN303205

GASKET

1" Flange

1шт.

30

87529312

WASHER,11mm ID x 24mm OD x 3mm Thk

16шт.

31

BN53475

ELBOW,90 Degree Elbow, 1" Male NPT x 1" Hose Barb, Poly

1шт.

Выбрано товаров: 32