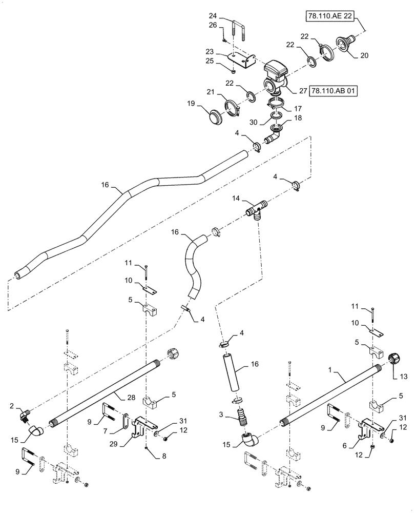
Запчасти Case IH PATRIOT 2250 (78.110.AE[21]) - BOOM PLUMBING, LH, OUTER, 20"/30" NOZZLE SPACING, 5 SECTION, 90, BSN YGT042519 (78) - SPRAYING

Схема запчастей Case IH PATRIOT 2250 - (78.110.AE[21]) - BOOM PLUMBING, LH, OUTER, 20"/30" NOZZLE SPACING, 5 SECTION, 90, BSN YGT042519 (78) - SPRAYING
78.110.ae 22
19
24
12
5
7
31
31
30
16
2
11
9
13
15
27
22
11
12
26
17
9
16
10
5
15
1
4
5
8
29
3
18
9
4
10
4
22
4
25
5
12
20
21
16
22
6
28
23
14
78.110.ab 01
FIT
1:1
100%

Артикул

Название

Примечание

Количество

1

47795229

PIPE

Spraybar, 4 Hole, 20"/30" Spacing, 55" Long, SCH 80, Poly

1шт.

2

BN53475

ELBOW,90 Degree Elbow, 1" Male NPT x 1" Hose Barb, Poly

1шт.

3

BN53476

FITTING,1" Male NPT x 1" Hose Barb, Poly

5шт.

4

BN75990

HOSE CLAMP

SST, #16

6шт.

5

BN67054

CLAMP

Includes Top and Bottom Halves

4шт.

6

47614661

MOUNT

Spraybar, Outer

2шт.

7

47654165

SPACER

2шт.

8

86980515

NUT,Hex, M10 x 1.5, Cl 8.8, DOR

12шт.

9

47650282

U-BOLT

M10, 3 3/16" x 2 3/8"

6шт.

10

BN309483

PLATE

Cover

6шт.

11

86980369

BOLT,Hex, M6 x 80, Cl 8.8

DOR

12шт.

12

86980513

NUT,Prev Torque, Hex, M6, 1mm Pitch, Cl 8, DOR

12шт.

13

BN73606

CAP

1", Poly

2шт.

14

47767363

FITTING,1" x 1" x 3/4" Hose Barb Tee

1" FPT, Poly

1шт.

15

BN73742

ELBOW

90° 1" FPT, Poly

2шт.

16

BN53479

HOSE,1.00" ID BULK

Cut to Required Length

1шт.

17

BN303203

CLAMP,1" Flange

1" Flange

1шт.

18

BN303194

ELBOW,90 Degree Elbow, 1" Flange x 1" Hose Barb, Poly

1шт.

19

BN304317

PLUG,2" Flange, Poly

1шт.

20

BN306900

FITTING,2" Flange x 1-1/4" Hose Barb, Poly

1шт.

21

BN303199

CLAMP,2" Flange

2шт.

22

BN303204

GASKET,1-1/2" EPDM Gasket

2" Flange, EPDM

2шт.

23

87270047

MOUNT

Boom Valve

1шт.

24

BN319919

U-BOLT

3/8"

1шт.

25

BN50759

LOCK NUT,3/8"-16, Nylon, Stainless

2шт.

26

BN50697

BOLT,Hex, 1/4" - 20 x 1/2", SST

2шт.

27

87632830

SHUT-OFF VALVE

2" Flange, Complete

1шт.

See 78.110.AB 01 For Service Parts

1шт.

28

84343154

PIPE

Spraybar, 7 Hole, 20"/30" Spacing, 8' - 9 5/8" Long, SCH 80, Poly

1шт.

29

84343258

MOUNT

Spraybar, Breakaway

2шт.

30

BN303205

GASKET

Valve

1шт.

31

87529312

WASHER,11mm ID x 24mm OD x 3mm Thk

12шт.

Выбрано товаров: 32