Запчасти Case IH PATRIOT 2250 (78.110.AE[26]) - BOOM PLUMBING, LH, OUTER, 20" NOZZLE SPACING, 6 SECTION, 90, BSN YGT042519 (78) - SPRAYING

Схема запчастей Case IH PATRIOT 2250 - (78.110.AE[26]) - BOOM PLUMBING, LH, OUTER, 20" NOZZLE SPACING, 6 SECTION, 90, BSN YGT042519 (78) - SPRAYING
21
21
24
4
9
2
6
15
21
11
19
15
16
8
5
16
14
26
7
8
25
30
12
1
13
6
3
5
20
29
18
10
4
29
27
9
28
22
23
17
78.110.ae 27
78.110.ab 01
22
FIT
1:1
100%

Артикул

Название

Примечание

Количество

1

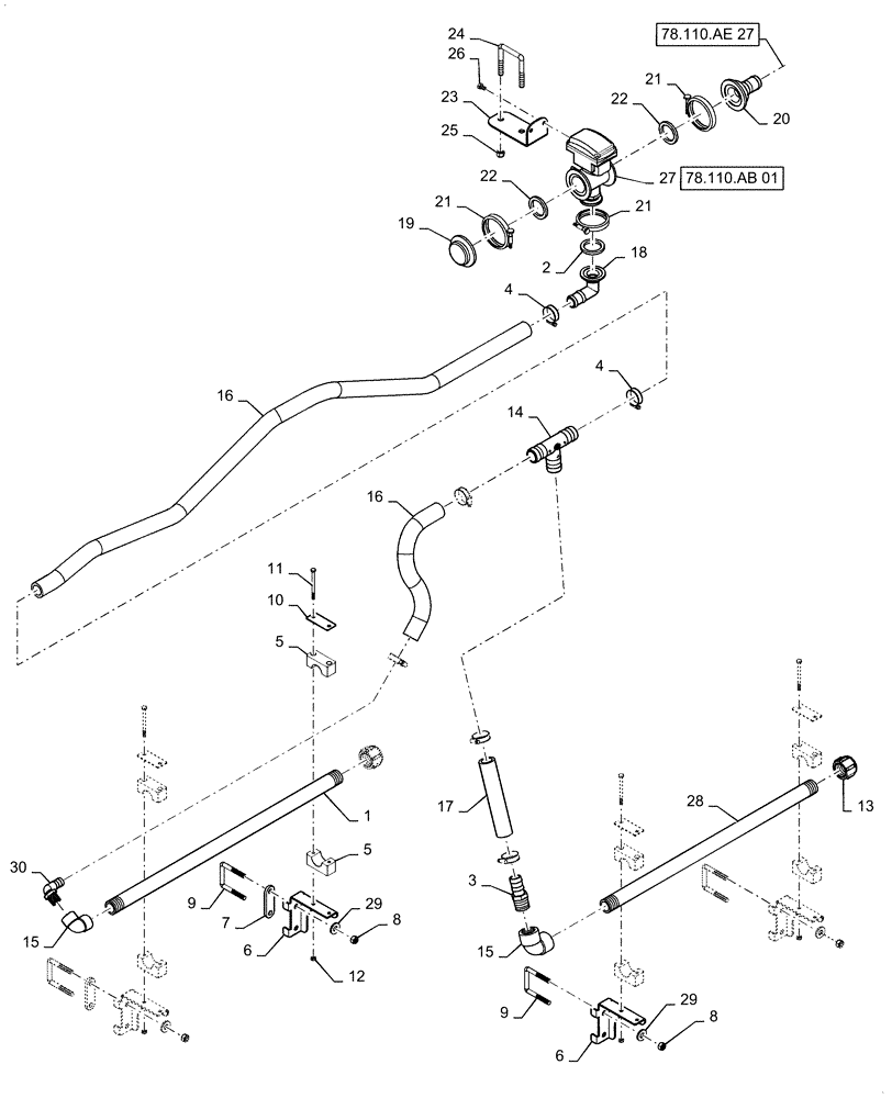
87452548

PIPE

Spraybar, 3 Hole, 20" Spacing, 46" Long, SCH 80, Poly

1шт.

2

BN303205

GASKET

Valve

1шт.

3

BN53476

FITTING,1" Male NPT x 1" Hose Barb, Poly

2шт.

4

BN75990

HOSE CLAMP

SST, #16

6шт.

5

BN67054

CLAMP

Includes Top and Bottom Halves

4шт.

6

47614661

MOUNT

Spraybar

4шт.

7

BN308039

PLATE

Spacer

4шт.

8

86980515

NUT,Hex, M10 x 1.5, Cl 8.8, DOR

8шт.

9

47650282

U-BOLT

8шт.

10

BN309483

PLATE

Cover

4шт.

11

86980369

BOLT,Hex, M6 x 80, Cl 8.8

DOR

8шт.

12

86980513

NUT,Prev Torque, Hex, M6, 1mm Pitch, Cl 8, DOR

8шт.

13

BN73606

CAP

1", Poly

2шт.

14

47767363

FITTING,1" x 1" x 3/4" Hose Barb Tee

1" FPT, Poly

1шт.

15

BN73742

ELBOW

90° 1" FPT, Poly

2шт.

16

BN53479

HOSE,1.00" ID BULK

Cut to Required Length

1шт.

17

BN29563

HOSE

Bulk, 1-1/4", Cut to Required Length

1шт.

18

BN303194

ELBOW,90 Degree Elbow, 1" Flange x 1" Hose Barb, Poly

1шт.

19

BN304317

PLUG,2" Flange, Poly

1шт.

20

BN306900

FITTING,2" Flange x 1-1/4" Hose Barb, Poly

1шт.

21

BN303199

CLAMP,2" Flange

2шт.

22

BN303204

GASKET,1-1/2" EPDM Gasket

2" Flange, EPDM

2шт.

23

87270047

MOUNT

Boom Valve

1шт.

24

BN319919

U-BOLT

3/8"

1шт.

25

BN50759

LOCK NUT,3/8"-16, Nylon, Stainless

2шт.

26

BN50697

BOLT,Hex, 1/4" - 20 x 1/2", SST

2шт.

27

87632830

SHUT-OFF VALVE

2" Flange, Complete

1шт.

See 78.110.AB 01 For Service Parts

1шт.

28

87452551

PIPE

Spraybar, 6 Hole, 20" Spacing, 9' - 2 1/2" Long, SCH 80, Poly

1шт.

29

87529312

WASHER,11mm ID x 24mm OD x 3mm Thk

8шт.

30

BN53475

ELBOW,90 Degree Elbow, 1" Male NPT x 1" Hose Barb, Poly

1шт.

Выбрано товаров: 31