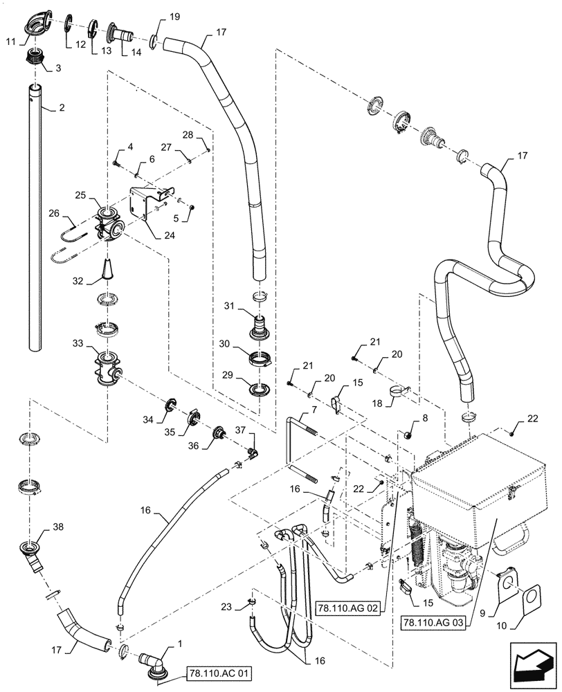
Запчасти Case IH PATRIOT 2250 (78.110.AG[01]) - CHEMICAL EDUCTOR ASSY, ASN YGT042518 (78) - SPRAYING

Схема запчастей Case IH PATRIOT 2250 - (78.110.AG[01]) - CHEMICAL EDUCTOR ASSY, ASN YGT042518 (78) - SPRAYING
78.110.ac 01
25
22
17
14
36
1
18
16
4
37
34
29
16
17
35
6
28
30
15
26
32
24
31
5
20
9
33
21
15
13
12
27
10
8
3
11
16
19
2
21
38
23
20
17
22
7
78.110.ag 02
78.110.ag 03
FIT
1:1
100%

Артикул

Название

Примечание

Количество

1

BN304321

FITTING,2" Flange x 1-1/2" 90 Degree Hose Barb Elbow

2" Flange x 1 1/2" HB

1шт.

2

84226982

PLASTIC-RUBBER TUBE,38 mm ID x 48 mm OD x 1300 mm L

1шт.

3

34316007

BUSHING

Reducer 2" x 1 1/2"

1шт.

4

BN50254

BOLT,3/8"-16 x 1", Stainless

5шт.

5

BN50759

LOCK NUT,3/8"-16, Nylon, Stainless

5шт.

6

BN50146

WASHER,3/8", Stainless

2шт.

7

84290200

U-BOLT

M16, 10" x 6 1/2"

1шт.

8

86980517

NUT,Hex, M16 - 2, Cl 8.8, DOR

2шт.

9

BN320997

BRACKET

Decal Plate

1шт.

10

343187A1

DECAL

Chemical Indicator

1шт.

11

47767922

FITTING,2" Full Port Flange x Flange Sweep

90°, 2" Flange x 2" Flange

1шт.

12

47888706

GASKET,56mm ID x 83mm OD 5mm Thk

2" Flange

1шт.

13

BN313773

CLAMP,2" Full Port

1шт.

14

BN322277

FITTING,2" Full Port Flange x 1-1/2" Hose Barb

1шт.

15

R54363

CLAMP

15/16", Double Tube

2шт.

16

BN54239

HOSE,12.7mm ID x 3048mm L

Bulk, 1/2", EPDM

1шт.

17

BN309785

HOSE

Bulk, 1 1/2", Kanaflex

1шт.

18

87552805

CLAMP,50.8mm, Coat, 10.3mm Bolt Hole, P Type

1шт.

19

BN310448

HOSE CLAMP

# 28, SST

6шт.

20

87529316

WASHER,9mm ID x 21mm OD x 2.5mm Thk

2шт.

21

86980379

BOLT,Hex, M8 x 1.25 x 20mm, Cl 8.8

2шт.

22

86980514

LOCK NUT,Hex, M8, Cl 8, DOR

2шт.

23

BN324022

HOSE CLAMP

# 8, SST

8шт.

24

47894648

MOUNT

Tee

1шт.

25

47894646

TEE,2” Manifold Tee With Venturi Insert

Venturi, 2" Flange

1шт.

26

BN303201

U-BOLT

1/4", 2 3/8" x 3 3/4"

2шт.

27

BN50138

WASHER,1/4", SS

4шт.

28

BN55359

LOCK NUT,1/4"-20, SS

4шт.

29

47888705

GASKET

2" Flange

4шт.

30

BN303199

CLAMP,2" Flange

4шт.

31

BN306901

FITTING,2" Flange x 1-1/2" Hose Barb, Poly

2шт.

32

21384

VENTURI

1 1/2"

1шт.

33

BN303191

TEE,2" Flange x 2" Flange x 1" Flange, Poly

1шт.

34

47888704

GASKET,28mm ID x 52mm OD x 5.6mm Thk

1" Flange

1шт.

35

BN303203

CLAMP,1" Flange

1" Flange

1шт.

36

47898148

PLUG,1" Flange Plug with 1/2" FPT

1" Flange x 1/2" FPT

1шт.

37

BN73511

FITTING

90°, 1/2" NPT x 1/2" HB

1шт.

38

47690895

FITTING,2" Flange x 1-1/2" 45 Degree Hose Barb Elbow

45°, 2" Flange x 1 1/2" HB

1шт.

Выбрано товаров: 38