Запчасти Case IH PATRIOT 3240 (78.110.AA[07]) - FRONT FILL 3" (78) - SPRAYING

Схема запчастей Case IH PATRIOT 3240 - (78.110.AA[07]) - FRONT FILL 3" (78) - SPRAYING
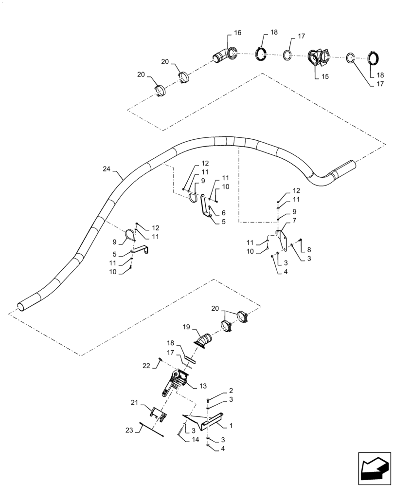
24
18
17
17
12
14
2
3
8
1
22
10
17
18
11
20
9
9
6
11
5
11
20
16
15
11
4
3
7
10
5
3
13
11
23
9
19
12
3
10
21
11
3
20
18
4
12
FIT
1:1
100%

Артикул

Название

Примечание

Количество

1

47593300

MOUNT

Front Fill

1шт.

2

86980401

BOLT,Hex, M10 x 1.5 x 30mm, Cl 8.8, Full Thd

2шт.

3

87529312

WASHER,11mm ID x 24mm OD x 3mm Thk

11шт.

4

86980515

NUT,Hex, M10 x 1.5, Cl 8.8, DOR

4шт.

5

47493723

MOUNT

Hose

2шт.

6

86980381

BOLT,Hex, M8 x 1.25 x 30mm, Cl 8.8

1шт.

7

84567648

MOUNT

Hose, Rear

1шт.

8

86980400

BOLT,Hex, M10 x 25mm, Cl 8.8, Full Thd

2шт.

9

87021162

CLAMP,88.9mm, Coat, 8.7mm Bolt Hole, P Type

Insulated, M8

3шт.

10

86980380

BOLT,Hex, M8 x 1.25 x 25mm, Cl 8.8, Full Thd

3шт.

11

87529316

WASHER,9mm ID x 21mm OD x 2.5mm Thk

6шт.

12

86980514

LOCK NUT,Hex, M8, Cl 8, DOR

3шт.

13

47421018

VALVE,3" Flange x 3" Male Adapter

Stubby, 3"

1шт.

14

BN50948

BOLT,Hex, 3/8" - 16 x 2 1/2", Stainless

1шт.

15

BN321071

FITTING,3" Flange x 3" Hose Barb Tee

Manifold, 3"

1шт.

16

BN321082

FITTING,3" Flange x 3" 90 Degree Hose Barb Elbow

90 Degree, 3" Flange x 3" Hose Barb

1шт.

17

BN321073

GASKET,3" Flange, EPDM

3" Flange, EPDM

3шт.

18

BN321074

CLAMP,101.6mm

3" Flange

3шт.

19

84283082

FITTING,3" Flange x 3" 45 Degree Hose Barb Elbow

45 Degree 3" Flange x 3" Hose Barb

1шт.

20

BN2403395

CLAMP

T Bolt

4шт.

21

BN2393384

CAP

3" Cam Lock

1шт.

22

306132C1

CABLE TIE,14.5" L

1шт.

23

416624A1

ROPE

Lanyard, 1/4" x 12"

1шт.

24

BN326025

HOSE,3.00" ID BULK

1шт.

Выбрано товаров: 24