Запчасти Case IH PATRIOT 3240 (78.110.AC[04]) - 2" SUMP PLUMBING (78) - SPRAYING

Схема запчастей Case IH PATRIOT 3240 - (78.110.AC[04]) - 2" SUMP PLUMBING (78) - SPRAYING
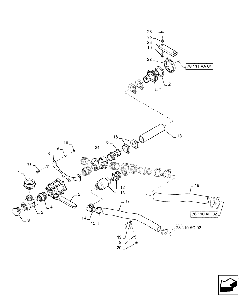
16
15
21
20
22
4
26
5
1
24
7
17
2
19
8
9
11
9
12
18
25
10
14
78.110.ac 02
23
10
3
18
78.110.ac 02
13
6
78.111.aa 01
FIT
1:1
100%

Артикул

Название

Примечание

Количество

1

BN86472

NIPPLE

Reducer 3" x 2"

1шт.

2

BN73779

TEE,2" Poly Tee

2" FPT

2шт.

3

BN73794

PLUG,2" Male NPT, Poly

2" MPT

2шт.

4

BN73783

NIPPLE

2" NPT Short

3шт.

5

BN73761

VALVE,2" NPT x 2" NPT

Ball, 2" Full Port

1шт.

6

BN73781

FITTING,2" Male NPT x 2" Hose Barb, Poly

2" NPT x 2" Hose Barb

2шт.

7

BN321080

FITTING,3" Flange x 2" Hose Barb, Poly

3" x 2" Hose Barb

1шт.

8

84396569

SUPPORT

Valve

1шт.

9

87529315

WASHER,9mm ID x 17mm OD x 2mm Thk

5шт.

10

86980515

NUT,Hex, M10 x 1.5, Cl 8.8, DOR

4шт.

11

86980400

BOLT,Hex, M10 x 25mm, Cl 8.8, Full Thd

2шт.

12

BN317158

NIPPLE,2" Male NPT x 1-1/4" Male NPT

2" x 1 -1/4" Reducer

1шт.

13

84347992

CHECK VALVE

1 -1/4" NPT, 2 PSI

1шт.

14

87265957

FITTING,1-1/4"Male Thread x 1-1/2" 90 Degree Hose Barb

90º, 1 -1/4" MPT x 1 -1/2" HB

1шт.

15

BN310448

HOSE CLAMP

#28, Stainless Steel

2шт.

16

BN2403358

CLAMP,50.8mm - 63.5mm

T-Bolt' Band 2 -1/2"

8шт.

17

BN53842

HOSE,38.10 mm ID Bulk

Discharge

1шт.

18

BN29564

HOSE

2" Bulk EPDM Suction

1шт.

19

515-23508

CLAMP,2", Insul, 3/8" Bolt

1шт.

20

86980514

LOCK NUT,Hex, M8, Cl 8, DOR

1шт.

21

BN321073

GASKET,3" Flange, EPDM

Manifold, 3"

1шт.

22

BN321074

CLAMP,101.6mm

Flange, 3"

1шт.

23

84396544

SPACER

Pump

1шт.

24

BN73791

CROSS

2" NPT

1шт.

25

87529312

WASHER,11mm ID x 24mm OD x 3mm Thk

4шт.

26

86980406

BOLT,Hex, M10 x 1.5 x 60mm, Cl 8.8

2шт.

Выбрано товаров: 26