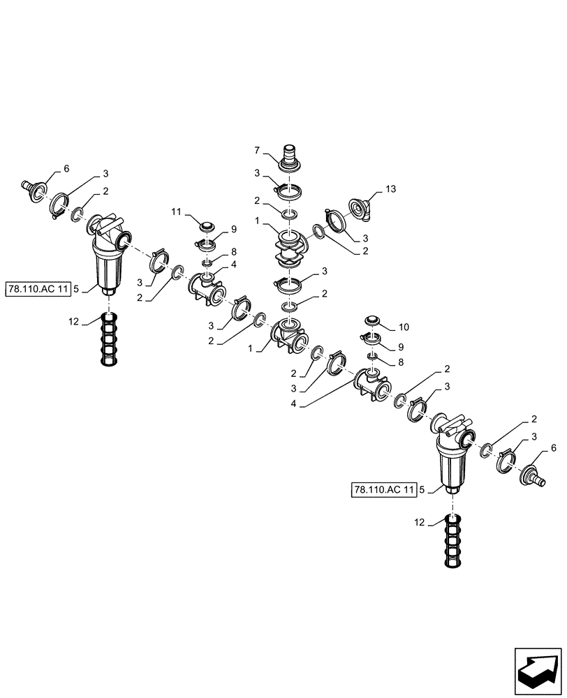
Запчасти Case IH PATRIOT 3240 (78.110.AD[02]) - CENTER SECTION MANIFOLD, 5 SEC (78) - SPRAYING

Схема запчастей Case IH PATRIOT 3240 - (78.110.AD[02]) - CENTER SECTION MANIFOLD, 5 SEC (78) - SPRAYING
2
5
2
3
2
78.110.ac 11
7
5
11
2
3
12
2
9
2
8
6
6
1
3
10
12
2
78.110.ac 11
2
3
1
2
9
3
4
4
13
3
3
3
8
3
FIT
1:1
100%

Артикул

Название

Примечание

Количество

1

BN303196

TEE,2" Flange x 2" Flange x 2" Flange, Poly

2" Flange

2шт.

2

BN303204

GASKET,1-1/2" EPDM Gasket

2" Flange, EPDM

9шт.

3

BN303199

CLAMP,2" Flange

2" Flange

9шт.

4

BN303191

TEE,2" Flange x 2" Flange x 1" Flange, Poly

2" Flange x 2" Flange x 1" Flange

2шт.

5

87265489

FILTER STRAINER

2" Flange

2шт.

See 78.110.AC 11 For Service Parts

1шт.

6

BN317966

FLANGE,2" Flange x 1" Hose Barb, Poly

2" Flange x 1" Hose Barb

2шт.

7

BN306901

FITTING,2" Flange x 1-1/2" Hose Barb, Poly

2" Flange x 1-1/2" Hose Barb

1шт.

8

BN303205

GASKET

1” Flange, EPDM

2шт.

9

BN303203

CLAMP,1" Flange

1” Flange Manifold

2шт.

10

BN324133

PLUG,1" Flange x 1/4" Female NPT, Poly

1" Flange x 1/4" FPT

1шт.

11

BN306897

PLUG,1" Flange, Poly

1" Flange, Poly

1шт.

12

87265492

SCREEN,80 Mesh, SST, Blue

80 Mesh,SST,Blue

2шт.

13

BN322003

FITTING,2" Flange x 1" 90 Degree Hose Barb Elbow

2" Flange x 1" Hose Barb

1шт.

Выбрано товаров: 14