Запчасти Case IH PATRIOT 3240 (78.110.AM[02]) - WILGER SADDLE (78) - SPRAYING

Схема запчастей Case IH PATRIOT 3240 - (78.110.AM[02]) - WILGER SADDLE (78) - SPRAYING
6
8
3
1
4
2
5
9
7
FIT
1:1
100%

Артикул

Название

Примечание

Количество

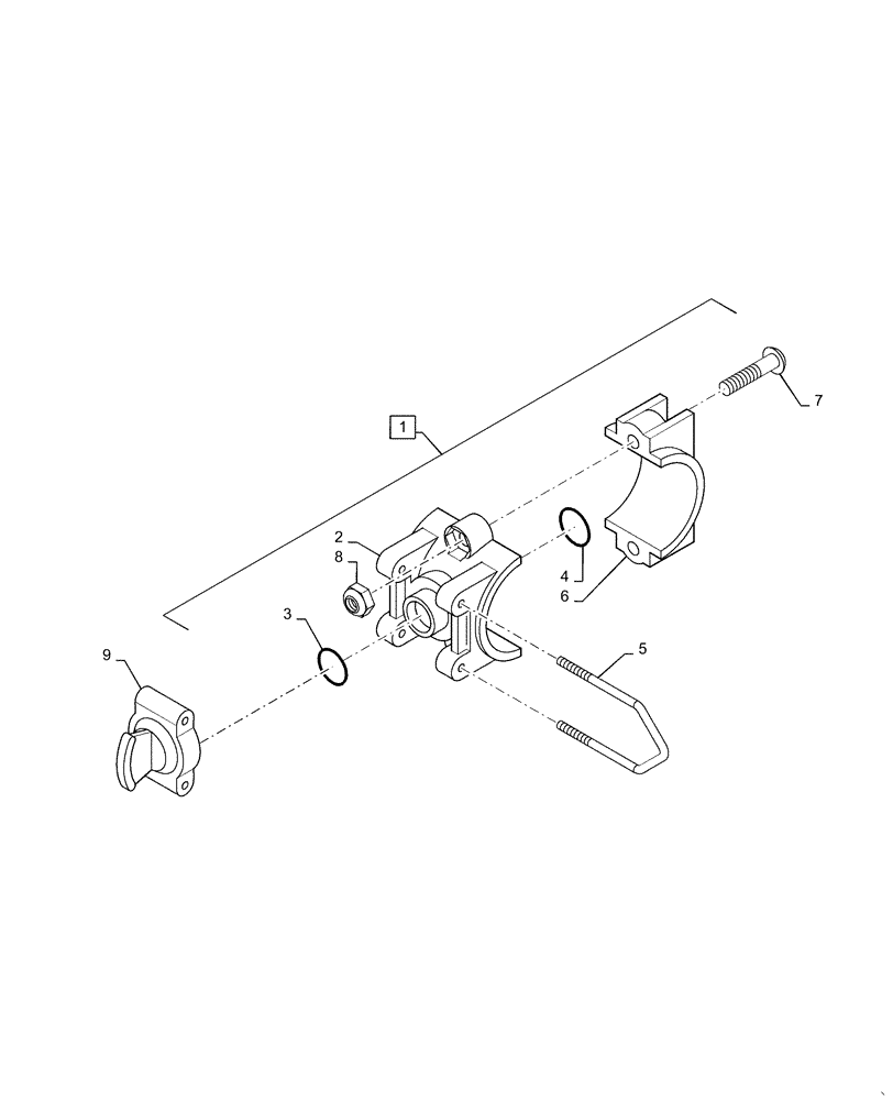
1

BN325220

SADDLE,1" Pipe , 3/8" Inlet

Wilger, Complete, Incl 2 - 8

1шт.

2

84153118

BODY,1" Pipe , 3/8" Inlet

Saddle, 3/8" Inlet

1шт.

3

84153115

O-RING,0.484" ID x 0.139" Width

#206 Class 5

1шт.

4

236535

O-RING,0.103" Thk x 0.362" ID, -110, Cl 6, 90 Duro

1шт.

5

84153117

LOCK,U-Clip 302SS

U - Clip

1шт.

6

84153119

BODY,1" Pipe

Saddle Backstrap

1шт.

7

87682408

SCREW,Pan, #10 - 24 x 7/8"

#10 - 24 x 7/8", Stainless Steel

2шт.

8

84542360

NUT

#10 - 24, NLN, Stainless Steel

2шт.

9

87718926

PLUG,Adapter

Saddle Blank, Wilger

1шт.

Выбрано товаров: 9