Запчасти Case IH PATRIOT 3340 (39.100.AT[01]) - BOOM CRADLES, 90/100 BOOM (39) - FRAMES AND BALLASTING

Схема запчастей Case IH PATRIOT 3340 - (39.100.AT[01]) - BOOM CRADLES, 90/100 BOOM (39) - FRAMES AND BALLASTING
22
26
28
27
6
16
4
24
27
18
15
24
12
26
21
39.100.ab 01
23
55.404.cl 05
13
4
5
8
11
17
10
9
28
22
7
20
14
23
2
29
21
1
25
8
3
9
19
FIT
1:1
100%

Артикул

Название

Примечание

Количество

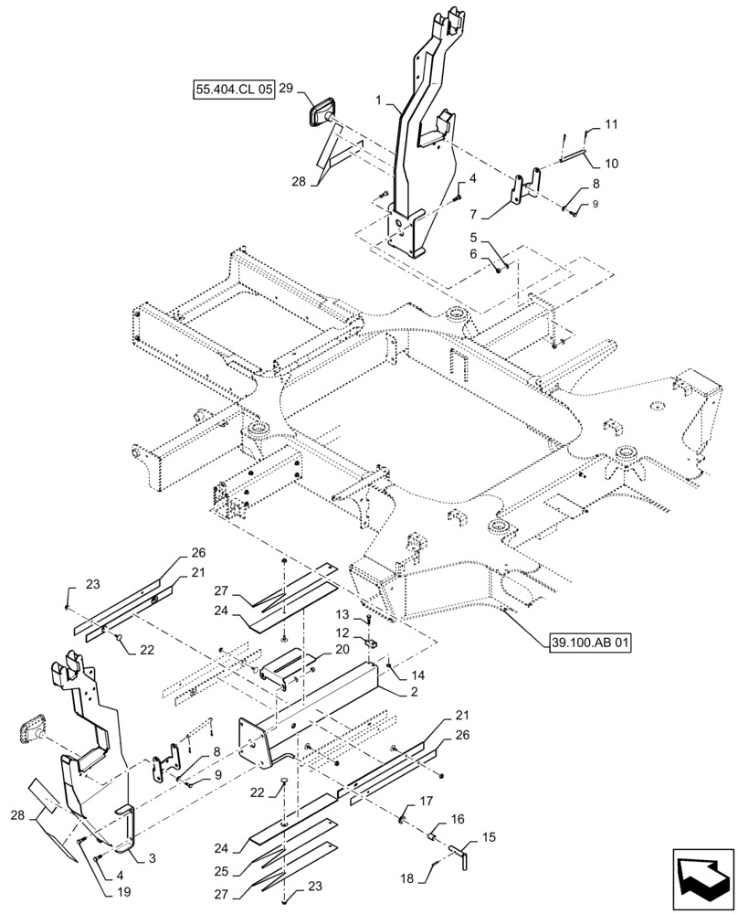
1

87609592

CRADLE

RH Boom

1шт.

2

87270810

SLIDE

Cradle

1шт.

3

87478658

CRADLE

LH Boom

1шт.

4

86980422

BOLT,Hex, M12 x 35mm, Cl 8.8

M12, 1.75mm x 35mm, DOR

4шт.

5

86981496

WASHER,13.3mm ID x 24.5mm OD x 3mm Thk

8шт.

6

86980516

NUT,Prev Torque, Hex, M12, 1.75 Pitch, Cl 8, DOR

8шт.

7

84553896

LOCK

Boom Lock

2шт.

8

87529312

WASHER,11mm ID x 24mm OD x 3mm Thk

6шт.

9

86980401

BOLT,Hex, M10 x 1.5 x 30mm, Cl 8.8, Full Thd

6шт.

10

342586A1

PIN,12.7mm OD x 154mm L

Boom Lock

2шт.

11

BN71006

COTTER PIN

1/8", #11

4шт.

12

BN321925

STOP

Boom Cradle

1шт.

13

86980403

BOLT,Hex, M10 x 1.5 x 40mm, Cl 8.8, Full Thd

2шт.

14

86980515

NUT,Hex, M10 x 1.5, Cl 8.8, DOR

2шт.

15

BN321930

PIN

Cradle Stop

1шт.

16

BN31937

SPRING

Compression

1шт.

17

BN50178

WASHER

1.25" OD x .75" ID

1шт.

18

BN31444

PIN, ROLL

1/4" x 1-1/2"

1шт.

19

86980423

BOLT,Hex, M12 x 1.75 x 40mm, Cl 8.8, Full Thd

4шт.

20

87564073

PLATE

Front Walkway

1шт.

21

87270958

SLIDE

Boom Cradle

4шт.

22

BN50779

BOLT,5/16"-18 X 1.00", EH, DOR

10шт.

23

BN50057

LOCK NUT,Lock, 5/16"-18, Stainless Steel

10шт.

24

BN321038

LINER

Top

2шт.

25

342580A1

SHIM

Cradle Liner, Bottom

1шт.

26

87272436

SHIM

Boom Cradle Slide

4шт.

27

87664090

SHIM

Cradle Liner, Top

2шт.

28

311864A1

REFLECTOR

Amber

4шт.

29

86986699

LIGHT

Warning, Complete

2шт.

See 55.404.CL 05

1шт.

Выбрано товаров: 30