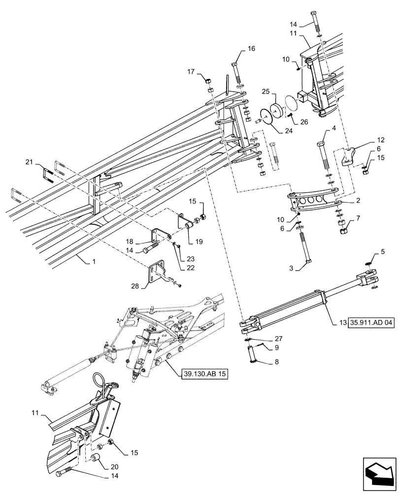
Запчасти Case IH PATRIOT 3340 (39.130.AB[12]) - LH MID AND OUTER BOOM, 120 (39) - FRAMES AND BALLASTING

Схема запчастей Case IH PATRIOT 3340 - (39.130.AB[12]) - LH MID AND OUTER BOOM, 120 (39) - FRAMES AND BALLASTING
35.911.ad 04
16
14
5
27
6
14
15
14
23
13
28
7
26
6
15
17
24
25
10
4
12
18
11
10
3
22
15
39.130.ab 15
2
19
11
8
21
1
9
20
FIT
1:1
100%

Артикул

Название

Примечание

Количество

1

84305028

BOOM

Middle, LH, 120'

1шт.

2

84126409

ARM

Double

1шт.

3

87564718

BOLT

3/4-10 X 7, GR 5 DOR, Used before Nov 30, 2015

1шт.

3

47919094

BOLT

3/4-10 X 6 3/8", GR 5 DOR, Used after Nov 30, 2015

1шт.

4

87698751

BOLT

1-8 X 6", GR8, DOR, Used before Nov 30, 2015

1шт.

4

47919096

BOLT

1-8 X 5", GR8, DOR, Used after Nov 30, 2015

2шт.

5

87564721

WASHER,1.02" ID x 1.5" OD x 0.12" Thk

1.016" x 1.50" x .134", CST, DOR

4шт.

6

87564720

WASHER,0.78" ID x 1.25" OD x 0.07" Thk

8шт.

7

87343673

NUT

1" - 8 GR8

1шт.

8

87735776

PIN,25.4mm OD x 111.5mm L

1" x 3.6"

1шт.

9

87399

COTTER PIN,1/2 x 3 Bolt

1шт.

10

219-8

LUBE NIPPLE,1/4" - 28 NPTF

3шт.

11

87527651

BOOM

Outer, LH, 120', Used before Nov 30, 2015

1шт.

11

47929668

BOOM

Outer, LH, 120', Used after Nov 30, 2015

1шт.

12

84126408

ARM

Single

1шт.

13

87505171

HYDRAULIC CYLINDER,31.75mm Rod, 406.4mm Stroke

Outer Boom Fold, 2 - 1/2" x 16", 1 - 1/4" Rod, 120' Boom

1шт.

See 35.911.AD 04 For Service Parts

1шт.

14

87342942

BOLT

3/4-10 X 3-3/4, GR8, DOR, Used before Nov 30, 2016

3шт.

14

47919090

BOLT

3/4-10 X 3-3/8", GR8, DOR, Used after Nov 30, 2015

3шт.

15

87310317

NUT

3/4-10, GR 8, DOR, Used before Nov 30, 2016

10шт.

15

47917717

NUT

Slotted, 3/4-10, DOR, Used after Nov 30, 2015

10шт.

16

87698750

BOLT

3/4-10 X 4-1/2, GR8, DOR, Used before Nov 30, 2015

2шт.

16

47919090

BOLT

3/4-10 X 3-3/8", GR8, DOR, Used after Nov 30, 2015

2шт.

17

87343671

NUT

3/4" - 10, GR 5, DOR

2шт.

18

84387718

MOUNT

Inner Roller, RH

1шт.

19

84387712

MOUNT

Inner Roller, LH

1шт.

20

87503700

ROLLER

19.45mm ID x 38.1mm OD x 36mm Long

2шт.

21

BN319919

U-BOLT

2.06" ID x 2 - 3/4" x 3/8"

4шт.

22

87529298

WASHER,11mm ID x 21mm OD x 2mm Thk

8шт.

23

87343974

NUT,Prev Torque, 3/8" - 16, Gr C, DOR

8шт.

24

87501591

WASHER,10.3mm ID x 101.6mm OD x 2.08mm Thk

10mm x 102mm x 1.9 mm

3шт.

25

87501590

BUMPER

Poly, 89mm OD x 19mm, Thick

1шт.

26

86980380

BOLT,Hex, M8 x 1.25 x 25mm, Cl 8.8, Full Thd

1шт.

27

87529235

WASHER,1.06" ID x 2" OD x 0.21" Thk

1.0625" x 2" x 0.209", HTS, DOR

1шт.

28

84192693

CRADLE

Outer Boom

1шт.

Выбрано товаров: 35