Запчасти Case IH PATRIOT 3340 (55.510.AF[01]) - RH CAB ELECTRICAL HARNESS (55) - ELECTRICAL SYSTEMS

Схема запчастей Case IH PATRIOT 3340 - (55.510.AF[01]) - RH CAB ELECTRICAL HARNESS (55) - ELECTRICAL SYSTEMS
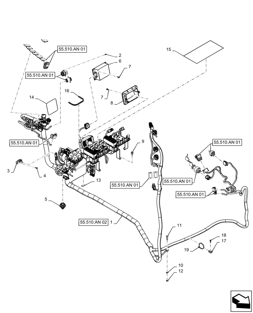
5
15
9
2
10
55.510.an 01
7
55.510.an 01
6
19
1
55.510.an 01
18
17
55.510.an 01
3
14
12
8
55.510.an 01
16
4
7
55.510.an 02
55.510.an 01
55.510.an 01
13
11
FIT
1:1
100%

Артикул

Название

Примечание

Количество

1

47816646

MODULE

RH Harness

1шт.

See 55.510.AF 02

1шт.

2

760-17113

SELF-TAP SCREW,Pan Hd, M3.5 x 13

8шт.

3

20-1451T1

BLOCK

Junction

2шт.

4

840-1516

SCREW,Pan, M5 x 16mm, Cl 4.8

4шт.

5

311430A1

BLOCK

Junction

1шт.

6

84150025

MODULE

Flasher Interface

1шт.

7

780-34319

SELF-TAP SCREW,Hex Wash Hd, M4.8 x 19

6шт.

8

437550A1

FLANGE

Interface

1шт.

9

781-24820

SELF-TAP SCREW,Hex Flg, M8 x 1.25 x 20mm

5шт.

10

893-11008

LOCK WASHER,Ext Tooth, M8

1шт.

11

43128

BOLT,M8 x 1.25 x 30mm, Cl 8.8

1шт.

12

9706690

NUT,M8 x 1.25, Cl 8

1шт.

13

87394246

DECAL

Test Point

1шт.

14

87711494

DECAL

Black Cover

1шт.

15

47600623

Fuse / Relay

1шт.

16

47388835

RUBBER SEAL

Clip On

1шт.

17

86590413

BASE,15.87mm W x 22.22mm OAL x 9.9mm Thk

9шт.

18

445395

RIVET,Pop, 4.8mm OD x 18.1mm L

9шт.

19

86566989

CABLE TIE,208mm L

9шт.

Выбрано товаров: 20