Запчасти Case IH PATRIOT 3340 (55.635.AD[03]) - DIRECT INJECTION HARNESS (55) - ELECTRICAL SYSTEMS

Схема запчастей Case IH PATRIOT 3340 - (55.635.AD[03]) - DIRECT INJECTION HARNESS (55) - ELECTRICAL SYSTEMS
78.110.ag.06
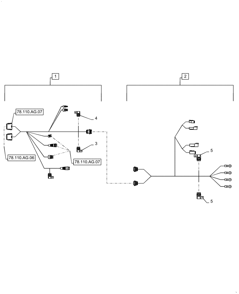
1
4
5
5
2
3
78.110.ag.07
78.110.ag.07
FIT
1:1
100%

Артикул

Название

Примечание

Количество

1

47839110

CABLE

Pump Harness

1шт.

2

47839111

CABLE

Chassis Harness

1шт.

3

87693742

FUSE,5A

5 Amp

1шт.

4

83933689

FUSE,10A, Red

1шт.

5

87689644

FUSE,30A, Blade/Uni

2шт.

6

87717080

FUSE,15A, Blue

1шт.

Выбрано товаров: 0