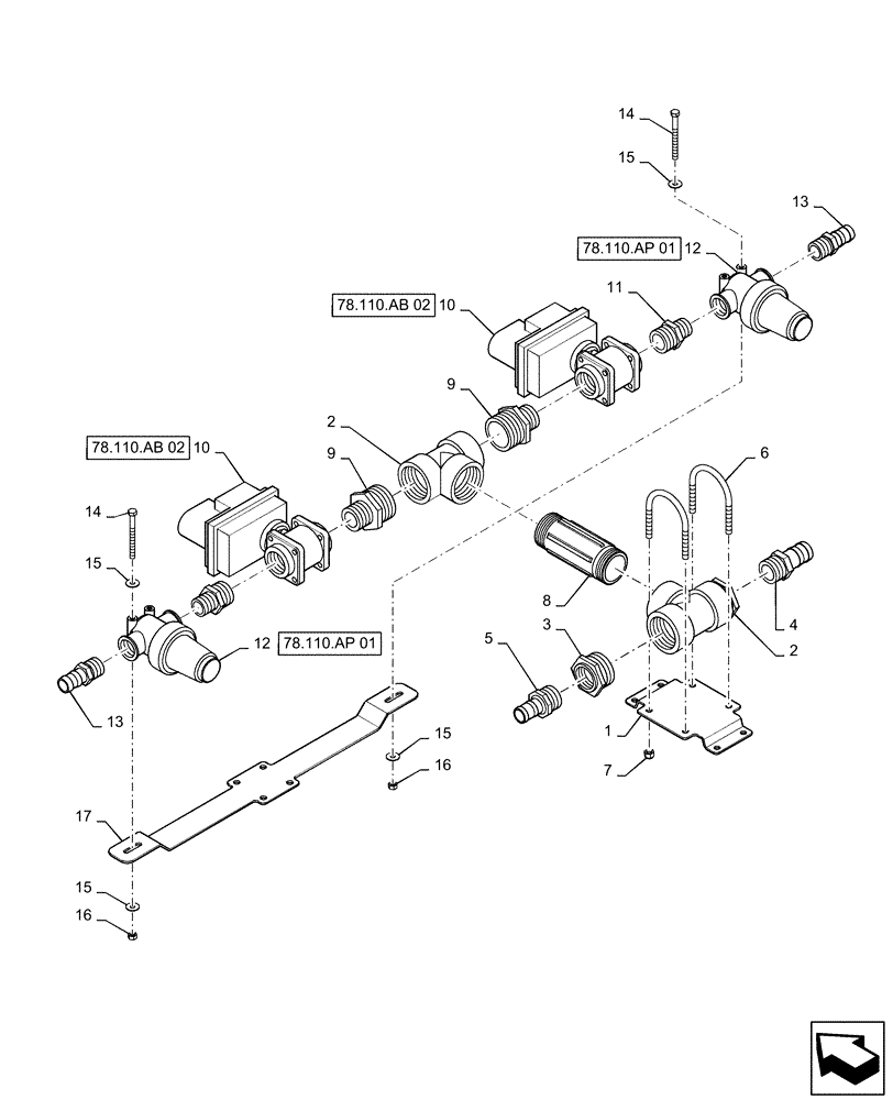
Запчасти Case IH PATRIOT 3340 (78.110.AB[05]) - 90/100, 6 SECTION, TANDEM BOOM VALVE (78) - SPRAYING

Схема запчастей Case IH PATRIOT 3340 - (78.110.AB[05]) - 90/100, 6 SECTION, TANDEM BOOM VALVE (78) - SPRAYING
3
12
13
78.110.ab 02
9
10
2
15
12
1
9
14
5
6
2
11
78.110.ap 01
78.110.ab 02
10
8
15
7
16
4
14
15
15
16
17
13
78.110.ap 01
FIT
1:1
100%

Артикул

Название

Примечание

Количество

1

BN323107

BRACKET

6 Section Support

1шт.

2

BN73779

TEE,2" Poly Tee

2"

2шт.

3

BN73755

BUSHING,2" Male NPT x 1-1/4" Female NPT, Poly

2" NPT x 1-1/4" NPT, Reducer

1шт.

4

BN305163

FITTING,2" - 11-1/2 Male NPT x 1-1/2" Hose Barb, Poly

2" NPT x 1.5" Hose Barb

1шт.

5

BN73660

PIPE FITTING,1-1/4" NPT Male x 1-1/4" Barbed

1-1/4" NPT X 1-1/4" Hose Barb

1шт.

6

BN320385

U-BOLT

2.98 ID X 3/8-16

2шт.

7

BN50759

LOCK NUT,3/8"-16, Nylon, Stainless

4шт.

8

BN73790

LUBE NIPPLE

2" NPT X 6", Poly

1шт.

9

BN317158

NIPPLE,2" Male NPT x 1-1/4" Male NPT

2" NPT x 1-1/4" NPT, Reducer

2шт.

10

87268179

VALVE

1.25" Ball, Electric, Boom Shut Off Valve

2шт.

See 78.110.AB 02 For Service Parts

1шт.

11

BN73656

NIPPLE,1-1/4" Male NPT x 1" Male NPT, Poly

1-1/4" NPT x 1" NPT, Poly

2шт.

12

BN320072

FILTER STRAINER

1" NPT, 50 Mesh, Poly

2шт.

See 78.110.AP 01 For Service Parts

1шт.

13

BN53476

FITTING,1" Male NPT x 1" Hose Barb, Poly

1" NPT x 1" Hose Barb

2шт.

14

BN320109

BOLT,5/16"-18 X 3.50", Stainless

2шт.

15

BN50142

WASHER,5/16", Stainless Steel

4шт.

16

BN55361

NUT,5/16"-18, Nylon, Stainless

2шт.

17

BN323106

BRACKET

6 Section, 2 Strainer Support

1шт.

Выбрано товаров: 19