Запчасти Case IH PATRIOT 3340 (78.110.AC[02.2]) - FILL STATION PLUMBING, SN YFT041440 TO BSN YGT042519 (78) - SPRAYING

Схема запчастей Case IH PATRIOT 3340 - (78.110.AC[02.2]) - FILL STATION PLUMBING, SN YFT041440 TO BSN YGT042519 (78) - SPRAYING
14
1
20
2
2
3
6
3
78.110.ac 03
3
10
78.110.ac 03
8
5
4
8
17
13
19
2
3
9
15
78.110.ah 04
3
12
16
15
78.110.ac 04
15
1
11
3
20
3
19
78.110.aa 02
18
7
14
3
2
14
2
2
2
2
FIT
1:1
100%

Артикул

Название

Примечание

Количество

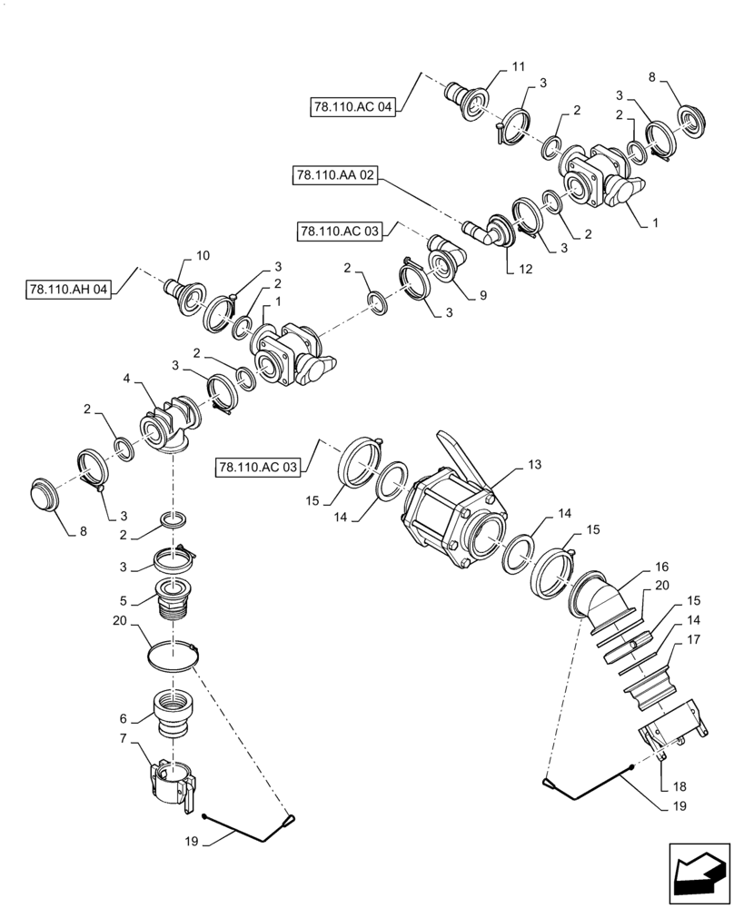
1

BN324998

VALVE

Ball, 2" Flange x 2" Flange

2шт.

2

BN303204

GASKET,1-1/2" EPDM Gasket

2" Flange, EPDM

8шт.

3

BN303199

CLAMP,2" Flange

2" Standard Flange

8шт.

4

BN303196

TEE,2" Flange x 2" Flange x 2" Flange, Poly

2" Flange

1шт.

5

BN303185

ADAPTER,2" Flange x 2" Male NPT, Poly

2" Flange x 2" NPT

1шт.

6

BN304330

ADAPTER

2" Cam x 2" NPT

1шт.

7

BN22901

DUST CAP,2" Cam Lever Dust Cap

2" Cam Lever

1шт.

8

BN304317

PLUG,2" Flange, Poly

2" Manifold Flange

2шт.

Not Used If Equipped With Foam Or Eductor Options

1шт.

9

BN304321

FITTING,2" Flange x 1-1/2" 90 Degree Hose Barb Elbow

2" Flange x 1 -1/2" Hose Barb

1шт.

10

BN306900

FITTING,2" Flange x 1-1/4" Hose Barb, Poly

2” Flange x 1 -1/4" Hose Barb

1шт.

11

BN306901

FITTING,2" Flange x 1-1/2" Hose Barb, Poly

2" Flange x 1 -1/2" HB

1шт.

12

BN322003

FITTING,2" Flange x 1" 90 Degree Hose Barb Elbow

2" Flange x 1" HB

1шт.

13

BN321070

VALVE,3" Flange

Ball, 3" Flange

1шт.

14

BN321073

GASKET,3" Flange, EPDM

Manifold, 3"

3шт.

15

BN321074

CLAMP,101.6mm

Manifold, 3"

3шт.

16

87266599

COUPLING,3" x 3" 45 Degree Full Port Flange

45º Manifold 3"

1шт.

17

343025A1

ADAPTER,3" Full Port Flange x 3" Male Adapter

3" Manifold x 3" Cam

1шт.

18

BN2393384

CAP

Coupler 3" Dust

1шт.

19

416624A1

ROPE

Nylon, 1/4" x 12"

2шт.

20

306132C1

CABLE TIE,14.5" L

Cable Tie

2шт.

Выбрано товаров: 21