Запчасти Case IH PATRIOT 3340 (78.110.AC[06]) - STRAINER FILTER, AND THROTTLE VALVE, ASN YGT042518 (78) - SPRAYING

Схема запчастей Case IH PATRIOT 3340 - (78.110.AC[06]) - STRAINER FILTER, AND THROTTLE VALVE, ASN YGT042518 (78) - SPRAYING
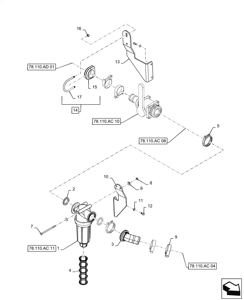
78.110.ac 08
7
9
15
14
16
13
5
1
8
2
6
12
4
17
3
10
11
78.110.ac 10
78.110.ac 04
78.110.ac 11
78.110.ad 01
FIT
1:1
100%

Артикул

Название

Примечание

Количество

1

87265489

FILTER STRAINER

Strainer, 2" FLS

1шт.

See 78.110.AC 11 For Service

1шт.

2

47888705

GASKET

2" Flange, EPDM

2шт.

3

47767334

FITTING,2" Flange x 2" 45 Degree Hose Barb Elbow

45° 2" Flange x 2" Hose Barb

1шт.

4

87268604

SCREEN,16 Mesh, SST, Gray

16 Mesh, SS, Gray

1шт.

5

BN303199

CLAMP,2" Flange

2" Standard Flange

2шт.

6

BN300506

WASHER

8 mm

4шт.

7

86980394

BOLT,Hex, M8 -1.25 x 140mm, Cl 8.8, DOR

2шт.

8

86980514

LOCK NUT,Hex, M8, Cl 8, DOR

2шт.

9

BN2403358

CLAMP,50.8mm - 63.5mm

T-Bolt Band 2-1/2"

2шт.

10

87271470

BRACKET, SUPPORTING

Filter

1шт.

11

87529315

WASHER,9mm ID x 17mm OD x 2mm Thk

4шт.

12

86980379

BOLT,Hex, M8 x 1.25 x 20mm, Cl 8.8

4шт.

13

47371558

MOUNT

Throttle Valve

1шт.

14

BN320384

U-BOLT

Complete, 2", Incl 15 -17

1шт.

15

BN320386

PIPE CLAMP

Vinyl Insert

1шт.

16

87343970

NUT,3/8"-16, G8, DOR

2шт.

17

BN320385

U-BOLT

1шт.

Выбрано товаров: 18