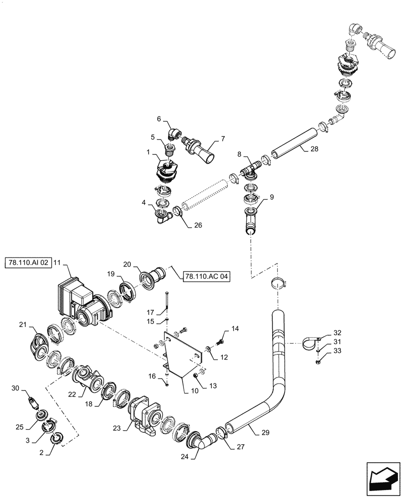
Запчасти Case IH PATRIOT 3340 (78.110.AI[01]) - SPARGE PLUMBING, ASN YGT042518 (78) - SPRAYING

Схема запчастей Case IH PATRIOT 3340 - (78.110.AI[01]) - SPARGE PLUMBING, ASN YGT042518 (78) - SPRAYING
78.110.ai 02
30
28
22
32
33
26
7
9
31
11
21
27
20
24
4
1
16
10
25
2
15
14
17
6
18
29
19
23
5
12
8
13
3
78.110.ac 04
FIT
1:1
100%

Артикул

Название

Примечание

Количество

1

47917382

BULKHEAD

1" Flange, Complete

2шт.

2

47888704

GASKET,28mm ID x 52mm OD x 5.6mm Thk

1" Flange

4шт.

3

BN303203

CLAMP,1" Flange

1" Flange

4шт.

4

BN303194

ELBOW,90 Degree Elbow, 1" Flange x 1" Hose Barb, Poly

2шт.

5

BN53665

BUSHING

1" x 3/4" Reducer

2шт.

6

BN73566

ELBOW,3/4" Male NPT x 3/4" Female NPT, Poly

2шт.

7

BN304248

AGITATOR

Tank

2шт.

8

47841653

TEE

1" Flange x 1" HB x 1" HB

1шт.

9

47917420

FITTING

90° 1" Flange x 1 1/2" HB

1шт.

10

87270416

MOUNTING PLATE

Sparge Valve

1шт.

11

BN324054

VALVE,2" Full Port Flange x 2" Full Port Flange

Ball, Electric

1шт.

See 78.110.AI 02 For Service

1шт.

12

87529312

WASHER,11mm ID x 24mm OD x 3mm Thk

4шт.

13

86980515

NUT,Hex, M10 x 1.5, Cl 8.8, DOR

2шт.

14

86980400

BOLT,Hex, M10 x 25mm, Cl 8.8, Full Thd

2шт.

15

87529314

WASHER,6.6mm ID x 12.5mm OD x 2mm Thk

4шт.

16

86980513

NUT,Prev Torque, Hex, M6, 1mm Pitch, Cl 8, DOR

2шт.

17

86980369

BOLT,Hex, M6 x 80, Cl 8.8

2шт.

18

47888705

GASKET

2" Flange

5шт.

19

BN303199

CLAMP,2" Flange

5шт.

20

BN303198

FITTING,2" Flange x 2" Hose Barb, Poly

1шт.

21

47776943

FITTING,2" Full Port Flange x Flange Sweep

90°, 2" Flange

1шт.

22

BN303191

TEE,2" Flange x 2" Flange x 1" Flange, Poly

1шт.

23

BN304328

VALVE,2" FP Valve w/C-Flng & T Handle

Ball, 2" Flange, With Handle

1шт.

24

BN304321

FITTING,2" Flange x 1-1/2" 90 Degree Hose Barb Elbow

2" Flange x 1 -1/2" HB

1шт.

25

BN324133

PLUG,1" Flange x 1/4" Female NPT, Poly

1шт.

26

BN75990

HOSE CLAMP

#16, SST

4шт.

27

BN310448

HOSE CLAMP

#28, SST

2шт.

28

BN53479

HOSE,1.00" ID BULK

1шт.

29

BN53842

HOSE,38.10 mm ID Bulk

1шт.

30

87266753

SENSOR

Sparge Pressure Transducer

1шт.

31

87529315

WASHER,9mm ID x 17mm OD x 2mm Thk

1шт.

32

515-23508

CLAMP,2", Insul, 3/8" Bolt

1шт.

33

86980514

LOCK NUT,Hex, M8, Cl 8, DOR

1шт.

Выбрано товаров: 34