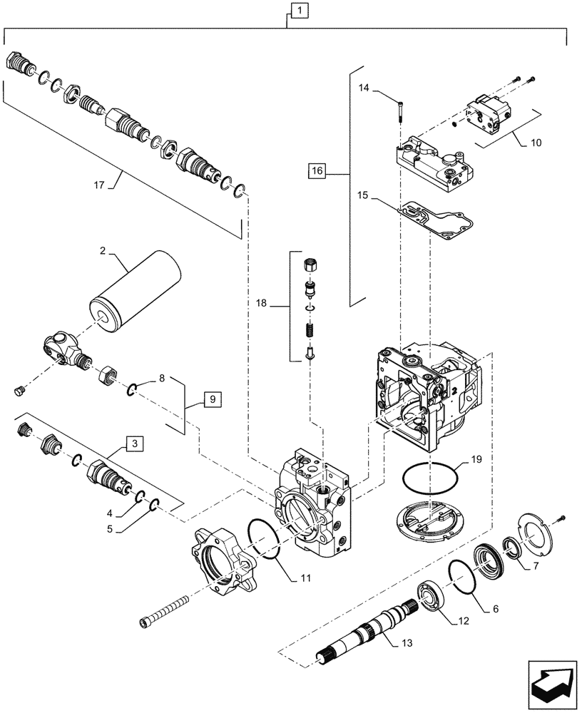
Запчасти Case IH PATRIOT 3340 (29.100.AC[03]) - RH HYDROSTATIC PUMP BREAKDOWN (29) - HYDROSTATIC DRIVE

Схема запчастей Case IH PATRIOT 3340 - (29.100.AC[03]) - RH HYDROSTATIC PUMP BREAKDOWN (29) - HYDROSTATIC DRIVE
12
4
8
19
11
16
6
18
7
10
5
9
2
3
1
14
17
15
13
FIT
1:1
100%

Артикул

Название

Примечание

Количество

1

84408213

HYDROSTATIC PUMP

Complete, RH, 90 Series, W/ 13 Tooth Coupler For Rear Mounted Pump, Incl 2 - 19

1шт.

2

N14232

FILTER

Element, Spin On

1шт.

3

BN65540

VALVE

Multi-Function Valve, Incl 4 - 5

1шт.

4

BN65541

O-RING

Multi-Function Valve, Upper

2шт.

5

BN65542

O-RING

Multi-Function Valve, Lower

2шт.

6

BN65544

O-RING

Shaft, 75cc

1шт.

7

BN65546

SEAL

Lip, Shaft 75cc

1шт.

8

BN68470

O-RING

Filter Head

1шт.

9

BN69597

FILTER HEAD

Does Not Include Filter Element

1шт.

10

87575874

CONTROL

EDC

1шт.

10

86629543

O-RING,0.07" Thk x 0.364" ID, -12, Cl 5, 75 Duro

3шт.

10

14453080

O-RING,0.426" ID x 0.07"

1шт.

11

70934882

O-RING,0.103" Thk x 4.737" ID, -158, Cl 7, 75 Duro

1шт.

12

BN312706

BEARING, ROLLER,40mm ID x 90mm OD x 23mm W

Shaft

1шт.

13

BN312707

SHAFT

14T

1шт.

14

87575875

SCREW

EDC

6шт.

15

87607504

GASKET

EDC

1шт.

16

87495196

SERVICE KIT

Pump EDC, Incl 10, 14 - 15

1шт.

17

84530460

VALVE

Multi-Functional Dual Setting Pressure Limiter

1шт.

18

BN300952

KIT

Charge Relief

1шт.

19

87564746

O-RING,0.103" Thk x 4.987" ID, -159, Cl 7, 75 Duro

Bottom Plate

1шт.

Выбрано товаров: 21