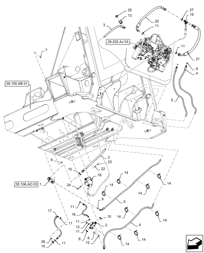
Запчасти Case IH PATRIOT 4440 (35.106.AO[01]) - RETURN AND PRESSURE MANIFOLD LINES, BSN YGT044001 (35) - HYDRAULIC SYSTEMS

Схема запчастей Case IH PATRIOT 4440 - (35.106.AO[01]) - RETURN AND PRESSURE MANIFOLD LINES, BSN YGT044001 (35) - HYDRAULIC SYSTEMS
9
6
6
12
11
9
39.100.ab 01
26
29.202.aj 03
12
14
18
13
11
23
21
15
3
22
14
14
14
35.106.ao 03
20
2
10
17
14
14
11
8
4
11
14
25
1
7
16
11
4
11
5
5
11
10
3
27
14
19
24
FIT
1:1
100%

Артикул

Название

Примечание

Количество

1

BN323902

MANIFOLD

Pressure

1шт.

2

BN307639

MANIFOLD

Return

1шт.

3

84335924

HOSE ASSY.

1 - 3/16" - 12 ORFS Swivel x Code 61 Flange Short Elbow x 3/4" ID x 104" Long, Pressure Compensated Pump to Pressure Manifold

1шт.

4

86986371

HOSE

13/16" - 16 ORFS Swivel Meduim Elbow x 13/16" - 16 ORFS Swivel x 1/2" ID x 154" Long, Boom Control Valve to Return Manifold

1шт.

5

BN309867

HOSE

13/16" - 16 ORFS Swivel Meduim Elbow x 13/16" - 16 ORFS Swivel x 1/2" ID x 142" Long, Pressure Manifold to Boom Control Valve

1шт.

6

86980379

BOLT,Hex, M8 x 1.25 x 20mm, Cl 8.8

6шт.

7

86980514

LOCK NUT,Hex, M8, Cl 8, DOR

2шт.

8

9824050

O-RING,0.07" Thk x 0.926" ID, -21, Cl 6, 90 Duro

1 - 7/16", ORFS

1шт.

9

9992298

O-RING,0.07" Thk x 0.489" ID, -14, Cl 6, 90 Duro

13/16", ORFS

5шт.

10

9991976

O-RING,0.07" Thk x 0.739" ID, -18, Cl 6, 90 Duro

1 - 3/16", ORFS

2шт.

11

9993141

O-RING,0.07" Thk x 0.364" ID, -12, Cl 6, 90 Duro

11/16", OFRS

11шт.

12

BN305426

CAP

11/16" - 16

2шт.

13

BN316600

KIT

3/4" Split Flange Code 61

1шт.

14

BN570007

STRAP

Black Only .12-4.0 Band

8шт.

15

BN302554

FITTING

11/16" - 16 ORFS x 3/4" - 16 ORB x 90 Deg

1шт.

16

BN307824

HOSE ASSY.

11/16" - 16 ORFS Swivel x 11/16" - 16 ORFS Swivel Medium Elbow x 3/8" ID x 19.5" Long, Return Manifold to Pressure Limiter Valve

1шт.

17

84415757

HOSE

11/16" - 16 ORFS Swivel x 11/16" - 16 ORFS Swivel Medium Elbow x 3/8" ID x 26" Long, Pressure Manifold to Pressure Limiter Valve

1шт.

18

84410908

CONTROL VALVE

Reverse Pressure Limiter

1шт.

19

BN302511

FITTING

9/16" - 18 ORFS

1шт.

20

84416323

HOSE

9/16" - 18 ORFS Swivel x 11/16" - 16 ORFS Swivel Medium Elbow x 3/8" ID x 70" Long, Hydrostats to Pressure Limiter Valve

2шт.

21

BN309834

HYDRAULIC HOSE

9/16" - 18 ORFS Swivel x 11/16" - 16 ORFS Swivel Medium Elbow x 1/4" ID x 19" Long, To Hydrostats

1шт.

22

87529302

WASHER,6.6mm ID x 18mm OD x 1.6mm Thk

2шт.

23

86980513

NUT,Prev Torque, Hex, M6, 1mm Pitch, Cl 8, DOR

2шт.

24

86980365

BOLT,Hex, M6 x 1 x 45mm, Cl 8.8

2шт.

25

86503302

O-RING,0.139" Thk x 0.984" ID, -214, Cl 6, 90 Duro

1шт.

26

128825

O-RING,0.087" Thk x 0.644" ID, -908, Cl 6, 90 Duro

1шт.

27

9825770

O-RING,0.07" Thk x 0.301" ID, -11, Cl 6, 90 Duro

3шт.

28

342108A1

HOSE PROTECTION

Not Illustrated

1шт.

Выбрано товаров: 28